
Table of Contents
5.1.1.1Amplifier and pre-amplifier development 22
5.1.1.2Loudspeaker development 22
5.1.1.3Repair of audio equipment 23
5.1.1.4Filter and network analysis 23
5.1.1.6PA-system adjustments 24
5.1.1.7Environmental noise analysis 25
5.1.1.8Vibration+rotating system analysis 25
5.1.1.11Industrial production tests 26
10First steps with WinAudioMLS 30
10.3Saving of your measurement data 39
12Basic Graphical User Interface 45
13.1.1Example reverberation report 49
14.1Power spectrum (FFT analyzer) 57
14.1.1Sample rate vs. block size 58
14.4.2Ultra-low distortion measurement 82
14.5.1Common error for noise measurement 82
14.9Maximum Length Sequences (MLS) 89
14.9.1MLS example measurement 89
14.9.4Typical errors using MLS 93
14.12 Frequency resolution and FFT size 103
14.14 Impedance Measurement 106
14.16.5Adjusting the Trigger level with the mouse 109
14.19 Measure frequency response with music 117
14.20.3Single channel setup 120
15Tutorial for measurements of magnitude and phase responses 124
15.3Maximum Length Sequences (MLS) 128
15.4Measurement with stepped sine signals 134
15.4.1Automatic measurements 137
16Tutorial: Power Measurements of a high Power Amplifier 140
16.5.1Output level calibration 141
16.5.2Input level calibration 142
16.7 Intermodulation analysis 150
17Tutorial for low-noise and low-THD analysis (THD 0.0005% and SNR 120dB) 156
18 WinAudioMLS LAB edition 164
18.1Advantages of Chirp measurements compared to MLS 165
20.1.1Example for mouse zooming 171
20.1.2Using the keyboard for resizing 174
20.5Adding Labels and Lines 181
20.11.1Reference measurements 193
20.12 Importing from text files 196
20.15Display musical notes 207
20.16 Special display settings 208
21.1.1Set the mouse position to 0dB 210
21.1.2Set the peak position to 0dB 211
21.6Electrical Calibration 216
21.7Acoustical Calibration 216
21.7.1Sound Level Calibrator 216
21.7.1.2Quick calibration with a sound level calibrator 216
21.8 Reference measurement 220
21.9 Compare with reference measurement 220
21.10Calibration file format 220
21.14 Audio device control 225
21.18 Settings for high speed display 226
21.22 Application of WinAudioMLS in building acoustics 235
21.22.1Maximum-Length-Sequences (MLS) in building acoustics 235
22.3Selection of the Waveform 238
22.5Resizable frequency slider 238
22.7.1Enter a value in a dialog box 240
22.7.2Predefined attenuators 240
22.8.1Play .wav files with reloop 241
22.10.1Sine burst with 10ms on at full scale. 242
22.10.2Sine burst with alternating levels. 243
22.10.3Noise burst with 200ms on at full scale. 244
22.10.4Jitter test signals 244
22.12 Soundcard configuration 246
22.14 Audio device control 246
22.16 Maximum Length Sequences (MLS) 247
22.22 Linking of multiple generators 249
23.1High resolution edition with 192kHz/24 bits 252
23.2 Multi-channel analysis 257
23.2.2 ASIO loopback driver 260
23.3 Steinberg VST interface 261
23.6Support for automatic turntables 266
23.7 Noise and vibration analysis 271
23.8Support for industrial measurement cards 271
23.9 Quality and production tests 274
23.9.4Large pass/fail information 279
23.9.6Automating WinAudioMLS with script engine 284
23.12Automating WinAudioMLS with script engine 285
23.14.1 Speed considerations 290
23.18 1/3 octave filter bank 298
23.20 Speed Analyzer Plug-In (Speedalyzer) 301
23.20.4Frequency measurement 303
23.20.6Measurements for tape machines 304
23.21 Vectorscope / Goniometer 306
23.21.2 First channel zero 308
23.21.3 Second channel zero 309
23.21.5Signal with 3dB level difference 310
23.21.6Signal with 180 degree phase difference 310
23.24 Octave analyzer for noise measurements 318
23.25 1/3-1/32 octave analyzer 319
23.26 Loudness measurement in sone (DIN 45631 ISO 532B) 322
23.26.3Measurement with low noise devices 325
23.27.2.3Critical distance 330
23.27.2.4Equation from Sabine 330
23.27.2.5Recommended Reverberation Times 330
23.27.2.6Example Room Impulse Response 331
23.27.3Requirements for reverberation measurement 332
23.27.10Graphical selection 339
23.28 Objective speech intelligibility measurement: STI+RASTI 341
23.29 Software Development Kit (SDK) 342
24.2 Ideal analog to digital converter 343
27.2 Increasing the frequency range above 20kHz 348
27.3 Frequency response via MLS 351
27.4 Frequency response of a loudspeaker at different distances 355
27.5 Dual channel attenuation of a door 365
27.5.1Measurement with MLS 365
27.5.2Measurement with single tones 372
27.6THD+N/THD vs. Frequency 379
27.8 Frequency Response of a CD-Player or tape machine 391
27.8.4Fast measurement with Chirp signals 403
27.10Comparison of different techniques for room reverberation 410
27.10.2Measurement via pistol shot 411
27.10.3Measurement via bursted white noise 416
27.10.4Measurement via MLS 421
27.10.5General tips and tricks 423
WinAudioMLS
A complete high performance
Audio measurement system
![]()

Preface
Since the very first development of audio equipment, there was a strong demand for adequate measurement equipment. It started with RMS meters and oscilloscopes. With analog filters, it was even possible to measure distortions. Mechanical plotters were used to draw frequency plots.
With the integration of microprocessors it was possible to make more complex measurements, but the measurement itself was still analog.
Analog to digital converters and powerful processors were the key components to develop complete new measurement techniques. This includes digital filters, FFT, MLS etc. It was now possible to measure and store the impulse response of rooms. These techniques were first integrated into standalone measurement systems. Due to the technical complexity, these devices were and are very expensive.
Nowadays with powerful general-purpose computer and high resolution sampling devices, it is possible to offer software based measurement systems like WinAudioMLS. It is not only a clone of dedicated hardware based systems, instead it can fully exploit the advantages of a PC based solutions. For example, the measurement results can be easily integrated in the documentation processes. Since the analyzing algorithms are completely independent from the sampling hardware, you can simply upgrade the analog performance by using a different soundcard. Soundcards available today with 192kHz and 24 bits allow even high-end measurements. However, the analog technique is not outdated. For ultra low distortion measurements beyond the dynamic of analog to digital converters, there is still the need for analog circuits.
WinAudioMLS as a software-based analyzer allows using high sophisticated measurement techniques even in price sensitive areas.
WinAudioMLS is a professional Windows ™ application for powerful real-time signal and system analysis.
WinAudioMLS converts your PC with a soundcard into a professional audio analyzer. By using the PC environment, it is not only a cost efficient replacement for classical laboratory equipment. WinAudioMLS offers more powerful features combined with a comfortable user interface. Typical applications are loudspeaker measurements, repair and design of audio equipment. WinAudioMLS can also be used to adjust PA-systems, judgment of room acoustics, noise measurements or tuning of musical instruments. In addition there are many areas in the industrial measurements.
Although WinAudioMLS is focused to audio, it has many applications in the area of sub - and supersonic engineering. If you run WinAudioMLS on a notebook, you can easily build a mobile measurement system.
WinAudioMLS is widely used for educational purposes. All measurement results are displayed in real-time.
With its 192kHz/24Bits features together with the 64Bit FFT you get a world leading performance for software analyzers.
PRO Version
FFT based spectrum analyzer
Transfer function measurements with maximum length sequences (MLS)
Phase and impulse response measurements
Frequency and distortion (THD+N) measurements
Oscilloscope to monitor the input signal
Ultra high precision FFT (up to 1 mega samples)
Weighting and windowing functions
Calibration capabilities
Unique pitch adjust to compensate frequency offsets
Runs with any windows compatible soundcard
Line chart or bar graph with peak hold
Linear and logarithmic display
Display min, max average and reference measurement simultaneously
Easy to use zoom function
Measurement cursor with real-time display
Export functions
Supports 96kHz sample rate
Supports multiple sound devices
Signal generator is totally independent and can be run on a different machine
Copy to clipboard in vector or bitmap format
Printing
PRO EX Version
Dual channel FFT+MLS analyzer
Time frequency analysis with a spectrogram
Measure cross-correlation
Intermodulation measurement
THD analysis
Measure impedance
Various digital signal processing options in time and frequency domain
Measure frequency response with real music signals instead of synthetic signals
Support for Outline turntable.
Optional 192kHz/24bit ASIO support with up to 64 channels
![]()
Windows NT 2000 XP or Vista
Pentium 600 with 256MB memory
Windows compatible 16-bit sound device
Screen Resolution 800x600, 256 colors or more
WinAudioMLS contains two modules: A signal generator and the analyzer software.
The signal generator allows a rich set of different signal types, which are send to the device under test. The analyzer contains all core measurement features. Both programs are designed as independent executables, but the analyzer controls the generator automatically for easier configuration.
WinAudioMLS is sold in different basic packages and a rich set of plug-ins for special purposes.
This analysis system can generate many synthetic signals. With inappropriate signal levels you can easily damage your equipment (e.g. loudspeakers) or your ear.
Therefore always start with low signal levels and increase the volume carefully.
Wear ear protection.
WinAudioMLS covers many areas in the audio, sub- and ultrasonic measurements.
We offer the basic versions and plug-ins for special purposes. The following list covers the typical applications for WinAudioMLS
Amplifier and pre-amplifier development
Repair of audio equipment
Loudspeaker development
Filter and network analysis
Soundcard tests
PA-system adjustments
(Home) cinema adjustment and optimization
PA-system/studio monitoring
Environmental noise analysis
Vibration+rotating system analysis
Room acoustics
Building acoustics
Industrial production tests
Education
On our webpage we summarize the recommended modules for these typical setups.
WinAudioMLS can measure all relevant parameters e.g. IEC286. With it's 192kHz and 24Bit high dynamic modes WinAudioMLS is designed for high-end systems.
THD, THD+N, IMD, SNR
Frequency, phase, impulse and step response
Group delay
Impedance
Measurements with MLS and stepped sines
Dual channel processing
Spectrogram
Oscilloscope
Optional RIAA and inv. RIAA for phono equipment
With WinAudioMLS you can measure all relevant parameters for loudspeaker development and repair.
Distortion
Sensitivity
Frequency, phase, impulse and step response
Group delay
Impedance
Measurements with MLS and stepped sines
Dual channel processing
Basis for TSP calculation and speaker simulation programs (We recommend the freeware program "Basscade")
Cumulative decay plot (waterfall)
WinAudioMLS can measure all relevant parameters that are needed for repair and adjustment of all kind of audio equipment. With it's 192kHz and 24Bit high dynamic modes WinAudioMLS is designed for high-end systems.
THD, THD+N, IMD, SNR
Frequency, phase, impulse and step response
Group delay
Impedance
Wow&flutter
Measurements with MLS and stepped sines
Dual channel processing
Spectrogram
Oscilloscope
WinAudioMLS can measure linear and non-linear filtering networks. This includes analog cross-over networks or digital filter processors. You can also measure e.g. generic control loops in the range of DC to 100kHz analog bandwidths.
Frequency, phase, impulse and step response
Group delay
Impedance
Distortion
Measurements with MLS and stepped sines
Dual channel processing
Oscilloscope
WinAudioMLS can measure all relevant parameters for soundcard testing and design. With it's 192kHz and 24Bit high dynamic modes WinAudioMLS is designed for high-end systems.
WinAudioMLS supports the following driver models
MME
DirectX
ASIO up to 192kHz 24Bit and 64 channels
The measurement features include
THD, THD+N, IMD, SNR
Frequency, phase, impulse and step response
Group delay
Jitter
Impedance
Measurements with MLS and stepped sines
Dual channel processing or optional up to 64 channels
Oscilloscope
With WinAudioMLS, you can adjust PA systems of any scale including (home) cinema systems.
The measurement capabilities include
1/1-1/32 octave RTA for equalization
Feedback analysis
Level monitor
Frequency, phase, impulse and step response
Delay measurement
Measurements with MLS, stepped sines and white/pink noise
Powerful 3D visualization
Dual channel processing or optional up to 64 channels
Distortion and noise analysis
Oscilloscope
Spectrogram
Vectorscope
With WinAudioMLS, you can measure all kind of noise and sound sources. You can perform short-term analysis or long term level monitoring.
1/1-1/32 octave RTA
Different weighting option
Different averaging options
Long term level monitor
Spectrogram
Oscilloscope
Powerful 3D visualization
Dual channel processing or optional up to 64 channels
Psycho-acoustic loudness measurement in sone (ISO532B)
Identification of tonal components (DIN45681)
This setup is similar to the noise setup. In addition we emphasize the speedalyzer for any rotating equipment (generator, engines etc.)
With WinAudioMLS, you can measure all kind of room acoustic parameters via powerful MLS techniques.
Reverberation time (RT30 RT60) with 1/1-1/3 octave resolution
Room impulse response
Energy decay plot
Measurement via MLS, stopped noise or shots
STI/RASTI
With WinAudioMLS, you can measure parameters which are relevant for building acoustics.
Attenuation of walls or windows
Reverberation time (RT30 RT60) with 1/1-1/3 octave resolution
Room impulse response
Energy decay plot
Noise level
Long-term level monitor
Different option for averaging
Dual channel processing
Measurement via MLS, stopped noise or shots
WinAudioMLS is a very powerful tool for analysis of various system parameters. In addition, it is optimized for full automatic production tests.
Rich set of Pass/Fail criteria
Automatic report generation
High resolution option available
Full custom designs are possible
Controllable via scripts
WinAudioMLS offers highly sophisticated measurement techniques. Together with it's visualization techniques it is widely used for educational purposes in different areas for electrical engineering and acoustics.
We offer special educational packets at discounted price including classroom kits. Please contact us for details
If you received WinAudioMLS on a CD just start setup.exe. This program will copy all required files to your harddisk. If you received it as a compressed .zip file, please copy the executable to your hard drive and create a shortcut to your desktop if required.
Remove the directory where you installed WinAudioMLS. WinAudioMLS does not modify any Windows settings. The setup program creates also an uninstall program.
First start the signal generator and set it to e.g. 1kHz sine tone. Please be sure to press the play button. Connect a loudspeaker or headphone to your soundcard. You should here a clear tone.
Start WinAudioMLS and connect the line in and line output of your soundcard. Check your windows mixer settings. You should see a spectrum display similar to this picture below.


We recommend performing a automatic direct link measurement of you soundcard. This measurement verifies your setup and you get a quick characterization report of your soundcard.
This test requires a very few steps:
First, connect the line input of your soundcard to the line output. Second, start WinAudioMLS. Third, run “quick measurement report” from the wizard main menu.
WinAudioMLS performs a set of automatic measurements and after not longer than a minute your web browser should display you measurement results.
This report includes noise analysis, distortion analysis, frequency sweep etc. This simple report already includes many of the advanced measurement features of WinAudioMLS.

In this short tutorial we will demonstrate the basic features and configuration of WinAudioMLS. We strongly recommend to repeat the steps with your own measurements. This tutorial will shorten your training time significantly.
In this initial tutorial we will focus on:
Measurement of impulse and frequency response
Zooming via dialog box or mouse
Saving of measurement data
Overlay
Please start with the following steps.
Connect the input and output of your soundcard with a suitable cable
Start the analyzer and signal generator from the program menu entry
Start the signal output and analysis with the play button at the generator and analyzer


You should get a similar picture showing clearly the 1kHz signal. If the level is too high, you will get distortion causing harmonic components.
The following picture shows a typical overdrive situation. You will also notice that the THD+N is significantly lower.

With correct levels, the THD+N reading should give a value between 65dB and 95dB, which depends on your soundcard.
In case the levels are not correct, please check the mixer settings of your soundcard.
With the windows system control center, you can adjust the level of the input and output of your soundcard. Please note that this configuration strongly depends on your soundcard type. Please refer to the user manual for details. Many (semi)-professional soundcard offer no volume control. In this case, you will need to add an external mixing console or potentiometer.

You can adjust the output level with the ‚wave’ control.

With the next step, we will measure the impulse response. Select the wizard ‚room impulse’ from the main menu. This wizard configures both the analyzer and generator automatically.
Depending on the input level, you will get such picture, showing a small peak.

In the next step, we want to take a closer look at the peak at the beginning. Double click with the left mouse key to the axis e.g. to the y-axis label ‚amplitude’. A dialog box will open. First we select an x-range (time) of 0 to 50ms. All other settings remain untouched.



You will now see the impulse at 5ms. Simply click on ‚y-axis-autoscale’ in the toolbar. This feature zooms the y-axis automatically.
![]()

In the next step we continue zooming but this time graphically with the mouse. Click left (not double-click) to the left top corner of your desired zoom rectangle. Drag the mouse (keep the button pressed while moving). A rectangle will open and you can draw it to your position.

When you reached your position, release the left button.

The zoom area will be changed immediately. You can undo such zoom step with the context menu, when you press the right button.
Now you have seen how to zoom with the dialog box or directly with the mouse. You can also zoom and shift with the cursor keys.
Select ‚Freq. response with MLS’ from the wizard menu.

If everything is correct, you will get an almost flat curve. Depending on the quality of your soundcard, you might get a drop at higher frequencies.
Typically we will need a frequency response normalized to 0db at 1kHz. Move the mouse to 1kHz and press the right mouse key to open the context menu. Select ‚set to 0dB’.


The internal scaling will be modified and the curve moves to 0dB.
WinAudioMLS has many options to store your measurement results.
As a picture via screenshots (all pictures in this user manual were created that way)
As a picture via clipboard (copy from the Edit Menu)
Measurement data as a text file
Save to an overlay to compare it with other measurements
1) Screenshot
Press ALT-PRINT on your keyboard to copy the screenshot to the clipboard. This feature is a basic window functionality and works with any program. This function copies also the menu, toolbars etc.
2) Clipboard
This copies the pure measurement curve, only.

3) Numerical data
With ‚View->show results’ you can view the curve data numerically. You can also copy the complete table to the clipboard.

0.000000 -35.420284
43.066406 -36.965042
86.132813 -45.737709
129.199219 -51.565979
172.265625 -52.174908
215.332031 -49.034374
etc.
You can also export your measurement data to a text file with ‚File->export’.

In the following example we wrote the data to the file ‚data.txt’. You can open it with any text editor e.g. Notepad.
4) Overlays
With the overlay feature you can plot different curves on top of each other for comparison.
Select ‚set current curve as Overlay’ from the overlay menu.


We moved the measurement window a bit to see the legend, which already shows a second curve. Since we stopped the measurement, both curves are identical. When you continue the measurement, you will see two different curves.

When you click on the legend, you can name the curve or use different plot styles.


WinAudioMLS consists of two modules: A signal generator to stimulate the Device Under Test (DUT) and an analyzer to measure certain parameters of the test object.

The following measurements can be performed:
Power spectrum
Frequency response
Harmonic distortion
Intermodulation
Noise analysis
Frequency
Phase response
Impulse response
Impedance
Oscilloscope
The signal generator is a complete independent module that can be run on a different computer. If the soundcard allows simultaneous playback and recording or two different soundcards are installed, the signal generator can be started on the same computer. In addition, test signals can be transferred to an audio-CD and played with an audio CD player that has usually better performance than consumer soundcards.
The following picture shows a typical screenshot of WinAudioMLS. We marked the different elements with capital letters for easy identification.

A Plot screen
It contains 1 or more measurement curves and overlays. You can add multiple plot windows
B Y-axis
It contains the scale and unit
C X-axis
It contains the scale and unit
D Measurement window
Shows relevant cursor and signal information
E Legend
The legend helps identifying multiple curves. It can be fully customized
F Parameter viewer
This tool helps to monitor single values easily. It can be resized for better visibility. You can add multiple parameter viewer.
G Status line
It contains useful information like sample rate, FFT size, windowing function, weighting.
H Toolbar
You can easily configure and control WinAudioMLS with this toolbar.
I Level monitor
This bar graph display shows the input RMS including peak hold.
J Marker
You can set marker to monitor the signal level at this position
K Cursor
The curve value is shown at the cursor position. You can select the active curve with the legend.
L Crosshair
This cross hair cursor helps to navigate through a plot
M Measurement rectangle
This tool allows measuring the widths and height of an area. The sizes are displayed in physical values e.g. frequency or level in dB.
Modern measurement systems like WinAudioMLS offer a rich set of highly sophisticated measurement techniques. Some of them are quite complex and require an adequate education.
Therefore WinAudioMLS contains semi-automatic measurement techniques, which allow even non-specialists to perform reliable measurement of parameters like reverberation time. The experience of our acoustic and software engineering has been integrated in such automatic system. Our goal is to require as less user interaction as possible and at the same time avoid as many sources of errors as possible. For experienced uses, there is still the option to use all integrated configurations of WinAudioMLS to perform advanced measurements.
In most cases, WinAudioMLS can perform these measurements fully automatically. There is no need to worry about FFT size, window functions etc.
The reverberation time is the most widely parameter to judge on room acoustics. This time (in most cases RT60) measures the duration until the sound level in a room decreases by 60dB after the sound source has been shut down. The sound source is a loudspeaker. A measurement microphone records the sound and is the basis for analysis.
It is very important to measure the diffuse sound, only. The sound source should be omni directional. The measurement microphone should not capture the direct sound of the loudspeaker. In addition the excitation sound level must be significant higher than the ambient noise.
A measurement requires the following steps:
1) Positioning and setup of loudspeakers and cables
2) Optional calibration to measure absolute sound level.
3) Guided adjustment of sound level and input sensitivity
All other settings are configured by WinAudioMLS itself. Therefore, you will require little training, only.
All measurement results are written into an comprehensive (HTML) report, which you can print or distribute. It contains in addition to the measurement results, also the original impulse response for later analysis.
WinAudioMLS measures the ambient noise level and computes the optimal sound level.
For a reliable measurement, please note the following hints:
The ambient level must be as low as possible. Sources are open windows, air conditionings, PCs etc. As long as you are yourself in the measurement room, please be as quite as possible.
The loudspeakers must be adequately dimensioned, to reach sufficient sound level. Normally you will need large subwoofers for low frequencies (20Hz-100Hz)
The sound of source should be omni directional. Frequently, special loudspeakers like dodecahedra are used. But you can also try with several speakers simultaneously. For low frequencies, this is not critical at all, since the wavelength is very long.
The microphone should record the diffuse sound field only. The microphone should not head directly to the loudspeaker.
Repeat the measurement at different locations

Report continued

You can easily print this report or extract pictures or tables out of it.
At the end of the short summary, you will find a link to the detailed results. This longer report includes a lot more measurement results, which are useful for further analysis. This report includes also the measured impulse response.
This detailed report covers
Impulse response with .wav file for archiving
Frequency response
Ambient noise
Distortion analysis
Schroeder plot

continued








The display of the power spectrum in real time is the most widely used feature of an audio analyzer. The display contains the spectral density over the frequency. The estimation of the spectral density is based on the fast Fourier transform.
The power spectrum display is a very versatile tool. Applications are distortion analysis, frequency measurements, noise analysis or measurement of the frequency response.
If the input is white noise, you will get a flat display. A widely method to measure a frequency response is using white noise as input signal to the test device. The power spectrum of the output is directly the frequency response.
The power spectrum can be displayed in a line style or as a bar graph display. A more advanced method is the spectrogram to monitor the spectrum over time.
You can average several measurements before they are displayed to get a smoother curve. WinAudioMLS can also display a minimum, maximum or total average simultaneously. You can precisely read measurements from the display with a measurement cursor.
The bar graph display is similar to analog spectrum analyzers. It has peak hold and an adjustable dynamic behavior to simulate a fast or slow display.
WinAudioMLS has windowing functions to reduce the side lobes. Weighting functions are used to attenuate high and low frequencies to match the measurement with the human ear.
The frequency resolution is given by the sample rate divided by the block size. E.g. for 44.1kHz and a block size of 1024 the frequency resolution is 43.0664Hz. You can increase the resolution by using larger blocks. But this increases the measurement time. It is impossible to measure with a high frequency and high time resolution at the same time. This is one basic theorem of signal analysis. It can be explained by analog filters. If you implement a narrow filter with high frequency resolution, it's settling time is large. On the other hand if you implement a fast filter it has a low frequency resolution.
The simplest case for level measurement is a constant signal. The amplitude is constant all the time. For such signal its peak value and RMS are identical, therefore the Crest-factor is 1.0.
For a sine signal the peak value is a factor for 1.41 higher than the RMS. A full scale digital sine with a maximum level from -1.0 to 1.0 has an RMS Value of 0.7. This is equivalent to -3dB. You can measure the level either in the time domain or from the spectral plot.
WinAudioMLS constantly monitors the input RMS and displays it in the left signal meter. You can also use the ParamViewer feature to show the RMS and peak value from the time domain.
Any DC component has a significant influence on the RMS. Most soundcards have a low DC-offset. We strongly recommend removing such DC with the integrated DC filter.

You can also measure the signal level from the spectral plot. WinAudioMLS displays the peak inside the measurement window. Due to special properties of the FFT, this peak value varies with the frequency. WinAudioMLS includes two techniques to compensate this. First, you can use the special designed Flat-Top-window that has very low dependency from the frequency. Second, you can use the special interpolation feature (peak interpolation) that compensates the windowing-effect.

You can also calculate the RMS by integrating over the frequency. This is done by the inband-level. If you use the full frequency span and a rectangular window you get the same value compared to the RMS from the time domain. Please note, that the spectral plot is scaled, that a full-scale sine has a level of 0dB. Therefore, there is an offset of exactly 3dB compared to the time domain calculation.
For signals that spread their energy over the frequency domain, you can measure the signal level in a similar way.
The RMS covers the signal energy over the complete frequency band. You can apply a rich set of digital filters to analyze certain parts of the frequency band, only.
Let us assume, we have a white noise signal, that has a constant level over the complete frequency band and a RMS of 0.1 which is equivalent to –20dB.

If we apply a low pass filter with a cut-off frequency of 11kHz, the RMS reduces to the half (3dB).


You can also calculate the signal level from the spectrum. The inband-level is integrated over the frequency limits of the visible axis. Therefore, you can select portions of the spectrum easily with the mouse. WinAudioMLS considers weighting filters, calibration curves or reference files. In the following example, we selected frequencies up to 11kHz. The inband level reduces by 3dB.

WinAudioMLS can measure the signal level over a long period of time (seconds to days or even longer). This feature is suitable for noise control at concerts, machine halls, traffic noise or office areas.
With the mult-channel features of WinaudioMLS, you can monitor up to 64 channels.
In addition, you can monitor various statistics of your signal e.g. long-term average, short-term average, min, max.
The following example demonstrates the long-tem level together with a short-term spectral analysis.

The level measurement is computed in the frequency domain. You can adjust the average time, upper and lower frequency and weighting. Any setting is independent from any other spectral analysis plot.

The following example shows a measurement with 8 channels with a M-Audio M1814 soundcard. You can also plot the channels in individual windows.
WinAudioMLS is able to average the signal level over a long period of time. This integrated average level is the basis for e.g. the rating level according to various DIN/ISO/IEC specifications. You can also monitor the following statistics:
Long-term average Leq
Short-term average of the 30s
Minimum level
Maximum level
Elapsed time
Warnings with adjustable thresholds
You can reach these features with Plug-ins->LEQ.
If the level monitor was off, it will be activated automatically. In most cases we recommend A-weighting.


By default, the signal levels are not calibrated. To measure absolute levels, you have to calibrate the microphone first.
In the following example, the calibrator should be set to 94dB, but you can also use different levels.


With the attached calibrator, you will measure a constant level of 94dB.

Now, you can remove the calibrator and place it to its final positition.
With „Soundriver Reset“ from the menu bar you can reset all measurements.

In this section, we describe how to setup the measurement views manually. The discussed automatic is much faster for typical settings.
Start a level measurement (Plug-ins->Level monitor)

Perform a calibration.

You will measure a constant level of 94dB.

Adjust the weighting and other parameters with Plug-ins->Level Monitor

If the measurement frequency is 1kHz, different weighting settings have no influence to the calibration.
Remove the calibrator,
Create a measurement window with View->Add Paramview

Double-click on it to open the configuration dialog.

Select the parameter LEQ

Create another view with View->Add Paramview

Configure this window to „LEQ time“ for monitoring the elapsed time.
You can freely move and resize all measurement views.

With „R“ (sound driver reset) from the toolbar you start a new measurement.

All averages are reset.

In addition, WinAudioMLS can show the minimum and maximum values.

For each measurement view, you can define thresholds, to get a clearly visible indicator, when the condition is met.


All configuration including measurement views can be saved to presets.
A linear system changes only the phase and amplitude of a sine signal. A non-linear system generates additional sine signals typically at multiple of the input frequency, which are called harmonics.
To measure harmonic distortion we have to use a sine wave input. The analyzer is used in FFT-mode with MLS deactivated. A windowing function, typically Blackman, should be applied to attenuate the sidelobes.
An ideal linear system has a single peak at the input frequency. Typically additional peaks and noise a measured. The sum of the power of the additional peaks is the harmonic distortion, which is reported in percentage or dB. It is noted as Total Harmonic Distortion (THD).
WinAudioMLS calculates either the THD+N that includes non-harmonic noise, or tracks the harmonics only (THD).
The THD+N value contains all signal components except the input frequency. Therefore, the THD+N value is always higher than the THD value.
The Total Harmonic Distortion (THD) is defined as the quotient of the RMS value of all harmonics divided by the total RMS.
WinAudioMLS identifies the main frequency and tracks all harmonics.
The harmonics can be emphasized by a marker. The THD value is shown in the measurement
window either in % or dB.
For a reliable result, the spectral resolution must be high enough. It is defined by the FFT size
in relation with the sampling frequency. We recommend averaging to suppress noise.
By default the marker show the absolute level of each harmonic in dB.

Note: The THD analysis is only available at the PRO EX edition.
In order to get relative values simply scale the main peak to 0dB. Press the right mouse key and the context menu opens.

The peak level is shifted to 0dB. All the harmonic levels are now with respect to 0dB.

You can also display the level of each harmonic in percent with respect to the main level.


For this display you don’t have to scale the main peak, since this percentage display is always relative.
You can limit the number of harmonics or display the even/odd harmonics, only.


If you have multiple active curves, THD markers are displayed for the active curve, only. You can switch the active curve with the legend. If you need both channels simultaneously, use multiple windows. In the following picture, we selected channel 2 as active

The following plot shows both channels simultaneously.

Soundcards available today allow distortion analysis up to around –115dB. This is the limitation of converter technology. However, you can measure distortion far below this value, by using external analog filters and fixed frequencies. First, you will need one band-pass filter to reduce noise and harmonics from the excitation signal. Second, a band-stop filter attenuates the main signal component at the soundcard input. The center frequency of both narrow band filters match the signal frequency. Since the input filter changes the overall frequency response, its characteristic should be considered with a calibration file. The narrowness of both filters directly enhances the resolution.
Since this technique is limited to fixed frequencies and requires additional hardware, it is limited for special purposes.
The noise measurement setup is identical to the harmonic distortion measurement. With the zoom function, you can select certain frequency ranges. The power in the current view is computed and displayed in real-time. The human ear has decreased sensitivity at low and high frequencies. Weighting with DIN A or C curves are widely used to consider this effect.
Signal to Noise Ratio (SNR) and noise floor are a broad source for misunderstanding. Many people analyze the spectrum below and read a SNR of 90dB out of this curve. They just look at the noise floor, which is around 90dB. Instead, WinAudioMLS reports the correct value of 60dB. The reason for this difference is that the spectrum contains spectral densities (energy per frequency). The density must be multiplied with the frequency band to get the signal energy. You can easily verify this effect. If you change the FFT size, the noise floor (spectral density) decreases. Since the noise is part of the signal, its level cannot depend on the FFT size. The second plot uses a 65536 points FFT which has a lower visual noise floor.
The input signal for both pictures is a sine with a SNR of exactly 60dB. You will find the test .wav file on the product CD.


Dual tone measurements are widely used to analyze non-linear behavior of a system. A non-linear system generates frequencies (intermodulation products) at the sum and the difference of the two frequencies. Intermodulation tests are much more sensitive to non-linearity then simple single tone tests. If we do a single tone test with 15kHz the first harmonic is already out of the audio bandwidths, and requires equipment with higher bandwidth. If we use a dual tone test with 14kHz and 15kHz intermodulation products can be found at 1kHz. If such signal is applied to a non-linearity e.g. the input transformer, such intermodulation products are clearly audible. Therefore, intermodulation can cause significant loss of audio quality. Single tones at 19kHz or 20kHz are not audible for most of human adults, but any non-linearity cause products in frequency range, where the human ear is most sensitive.
WinAudioMLS identifies the two frequencies for second order intermodulation and tracks the intermodulation products automatically. They can be emphasized can be by markers. It is not required to enter the dual tone frequencies. The intermodulation (IMD) value is shown in the measurement window either in % or dB.
With the sweep plug-in you can measure the IMD over frequency or input level.
Note: The IMD calculation is only available at the PRO EX edition.
Setup
For intermodulation, we will need a signal with two pure sines. You can generate such signals from e.g. our signal generator or a test CD.
You can start the external signal generator several times to generate two or more independent signals. For testing with ASIO, you will need our internal signal generator that includes 10 independent generators. In this example we use two generators with 14000Hz and 15000Hz each. Please take care to reduce the signal level, otherwise the signal output may get clipped if multiple generators are used.

We this configuration, we expect second order intermodulation products at 1kHz and 29kHz. For the 29kHz product you must use a higher sample rate of e.g. 96kHz.
For this example, we analyze a direct line connection of the soundcard. The IMD are very low and with the default settings almost not visible.

If we increase the frequency resolution by using a FFT size of 4096 instead of 1024 and long averaging (100 blocks over almost 10s) we can clearly identify the intermodulation products.


If we take a closer look at the input frequencies (x axis scaling has been set to linear), we identify significant products at 12000 and 16000Hz. We can also see intermodulation with the first harmonic line frequency (100Hz), which generates an equally spaced grid with 100Hz difference.
The internal generator for the ASIO setup allows tracking other generators from one master frequency. This feature is ideal for intermodulation testing, because the difference or quotient of the generator frequencies remain constant. With this feature you can e.g. change generator #1 to e.g. 14500Hz and generator #2 will follow to 15500Hz (difference) or 15535Hz (quotient), depending on the mode of operation.

The frequency of a signal can be directly measured with the FFT analyzer. The peak indicates the main frequency. The resolution depends on the ratio of FFT size and sample rate. For a typical setting of 1024 samples at 44100Hz, the frequency resolution is limited to 44100/102443Hz. The higher the FFT size the higher frequency resolution.
The advantage of the FFT method is the independence of the input signal waveform but has limited precision.
For sine wave signals, a high precision frequency computation has been implemented. For a block size of 16384 samples and 1000Hz input frequency, the frequency error is below 0.03Hz. As comparison the FFT based method reaches 2.7Hz, which is a factor of 90 higher. The block size is determined by FFT size.
Applications are speed adjustments for tape recorders or musical instrument tuning.
A simple method to measure the frequency response is to use sine wave input and sweep the frequency. The power of the output of the DUT is directly proportional to the frequency response. This method is slow because at every frequency the input has to be stable until the DUT has settled.
You can use this type of measurement with WinAudioMLS by:
Connect a signal generator with sine sweep options.
Adjust start and stop frequency and the sweep time.
Set WinAudioMLS to FFT analyzer mode.
Display the maximum by pressing the MAX button from the toolbar.
We offer a plug-in for WinAudioMLS that can do such a run automatically. In contrast it changes the frequency in steps and not continuously. Furthermore, it stores not only the level at each frequency. Distortion and other measurements are stored. This plug-in is described in this documentation later on in more details.
To get a quick impression of the frequency response multi-tone sine waves are used. A multi-tone wave file is available on request without any charges.
Another approach uses white noise as the input signal. White noise has a flat power spectrum. Therefore, the power spectrum of the output of the DUT is directly proportional to the frequency response of the DUT.
With the simple sine signal method it is not possible to compute the complete frequency response in real-time e.g. faster than 100ms. WinAudioMLS offers sophisticated MLS correlation techniques, which allows displaying a complete frequency response within 20ms.
ML-sequences have special properties, which make them ideal for computing transfer functions. ML-sequences are similar to white noise. They have a flat power spectrum, too. Measurements with ML-sequences require shorter averaging periods compared to simple white noise measurements. Even with relative short snapshots, you can calculate the frequency response. The MLS technique is immune against noise. WinAudioMLS uses highly optimized correlation algorithms to compute the transfer function even on slow machines.
To start a MLS measurement you have to enable MLS within the analyzer and set an appropriate sequence length. A good starting point is 16384 samples. Please make sure that the signal generator uses the same MLS length and the same sample frequency.
If the sampling frequency has a deviation from the intended frequency, you can set the pitch to adjust it.
We will demonstrate the advantages of MLS techniques with a simple example. The measurement object is an analog filter to increase the mid frequencies (3.3kHz). This filter is typical for many analog mixing consoles. The first measurement is based on white noise to excite the filter. The FFT length is 1024 and averaging is set to 16. Second, we use MLS with a sequence length of 16383 and a FFT size of 1024. Both measurement techniques use the same number of samples (372 ms). It is easy to recognize, that the MLS plot is much less noisy than the traditional white noise measurement.

Noise measurement

MLS measurement
Based on MLS correlation you can monitor the impulse response. Typically, you will see a peak in the middle of the plot. The impulse response can be shifted by complete or fractions of samples using the synchronization features. If auto scan is activated the peak will be set to the middle of the plot window. The number of samples for the display is defined by the FFT size.

Impulse response of the 3.3kHz filter

Impulse response of the Audigy2NX in analog loop back mode
When MLS mode is active, you can select the phase transfer function. The phase is displayed in degrees. For proper measurements you should use the synchronize features. In a first step, you must synchronize the sample frequency with the pitch slider. In a second step, you can shift the signal in the time domain. It is possible to shift complete samples or based on sample rate conversion (interpolation) fractions of samples to get precise results. For fractional delay shift the sample rate conversion must be activated. A time shift adds a linear phase change that depends linearly from the frequency.
Please note that the phase display wraps if the range is larger than +/- 180degrees. You can use the time shift to move the phase range that it fits into the range.

Phase response of the Audigy2NX
The following section summarizes the most common errors by using examples. The measurement object is the 3.3kHz filter.
Generator and analyzer use different MLS lengths.

generator 8191 analyzer 16383
Input level too high (clipping and distortion).

WinAudioMLS can analyze impulse responses from real-time measurements or files. You can select portions of the impulse response graphically. This allows removing reflections of walls etc. easily. In the following tutorial we demonstrate these features.
We assume to have an impulse response in a file. Select plug-ins->impulse response->load to load a file. With plug-ins->impulse response->plot you can directly plot the response itself, frequency response or phase. Below we selected the impulse display.

With Windows->new open a measurement window. In this window load the same impulse response and plot it.

Double click on measurement plot to open a measurement rectangle.
The second plot shows immediately the selected portion. This can also be used as a zoom function. You can move and resize the measurement window with the mouse.

Activate the second plot and select the frequency response. The frequency is calculated from the selection only. It is updated fully automatic while you change the rectangle. The FFT size is selected automatically to fit the response. If you remove the measurement rectangle, the full impulse response is used.

Windowing can be used to smooth the edges of the impulse response. In this special mode the window function is applied for the right half, only.
You can also add additional windows with the impulse response to show the zoomed portion or plot the phase response. We also selected different colors to easier identify the different plots.


The human ear has different sensitivity within the frequency range from 20Hz to 20kHz. A tone at 2kHz appears to be much louder than a tone at 15kHz. For judging the performance of audio equipment, it is useful to consider this effect. High and low frequency are attenuated by weighting filters. The most widely used curve is the DIN 'A' curve. Measurements based on this curve are denoted with dB(A). WinAudioMLS supports the A and C curve. All curves are normalized for 0dB at 1kHz. The frequency response is shown below. The current weighting function is displayed in the status bar. You can use an arbitrary weighting by creating a calibration file. In this file you enter pairs of frequency/level. Please refer to the calibration section for details.
Weighting is widely used to “tune” measurement results. A THD+N measured in dB(A) is always better than an unweighted result.
WinAudioMLS supports the following weighting curves:
DIN A
DIN C
CCIR/ITU-R 468
CCIR/ITU-R ARM

The A-weighting curve is widely used. Even simple hand-held sound level-meter support this. It is based on the work from Fletcher–Munson and matches the hearing-curve at 40phon. For random noise this curve is not valid. Random noise measured with the A-curve does not match with human listening. Especially for testing analog Dolby-techniques and pre-emphase for noise reduction, the A-curve is not applicable.
Therefore different weighting curves were developed. The CCIR/ITU-R 468 curve is widely accepted. This curve strongly attenuates high frequencies and emphasizes the area around 5kHz. In this range the human ear is very sensitive to noise.
If you assume a white noise source, the A-weighted RMS is 10dB lower than the CCIR/ITU-R 468 weighted RMS with a bandwidths of 20-20kHz. This might be a reason to prefer A-curves for marketing purposes. This example shows, that any serious noise measurement must be commented with the weighting curve. Otherwise you can not compare any results.
The CCIR/ITU-R 468 curve is suitable for characterization of microphone noise and distortion.
The CCIR/ITU-R 468 has it’s maximum at 6.3kHz with 12.2dB. At 1kHz it is normalized to 0dB.

The frequency resolution is determined by two parameters: the sample rate and the FFT size.
Both are linked by a simple equation:
Frequency resolution= sample rate / FFT size
You can easily increase the frequency resolution by using a larger FFT. WinAudioMLS supports up to 16 million points. On the other hand, a larger FFT reduces the time resolution. This is no limitation of WinAudioMLS, instead it is one of the basic signal processing theorems.
We will illustrate this by one example. By default WinAudioMLS uses a sample rate of 44100Hz and a FFT size of 1024 points. The frequency resolution is 43Hz and the duration of one block is 20ms. For analysis in the range of 20- 200Hz this resolution is two low. The most effective solution would be to reduce the sample rate, but most soundcards are limited to 32kHz. Therefore, we increase the FFT size to e.g. 16384. This leads to a frequency resolution of 2.7Hz on the other hand the duration of one block increases to 372ms. If you use averaging to reduce noise you can easily reach a measurement duration of several seconds.
Low frequency measurements are slow.
The following table summarizes FFT size, frequency resolution and time resolution for typical sample rates
Frequency resolution in Hz
|
|
FFT size |
|||||||||||||
|
Sample |
128 |
256 |
512 |
1024 |
2048 |
4096 |
8192 |
16384 |
32868 |
65536 |
131072 |
262144 |
524288 |
1048576 |
|
8000 |
62,50 |
31,25 |
15,63 |
7,81 |
3,91 |
1,95 |
0,9766 |
0,4883 |
0,2434 |
0,1221 |
0,0610 |
0,0305 |
0,0153 |
0,0076 |
|
32000 |
250,00 |
125,00 |
62,50 |
31,25 |
15,63 |
7,81 |
3,9063 |
1,9531 |
0,9736 |
0,4883 |
0,2441 |
0,1221 |
0,0610 |
0,0305 |
|
44100 |
344,53 |
172,27 |
86,13 |
43,07 |
21,53 |
10,77 |
5,3833 |
2,6917 |
1,3417 |
0,6729 |
0,3365 |
0,1682 |
0,0841 |
0,0421 |
|
48000 |
375,00 |
187,50 |
93,75 |
46,88 |
23,44 |
11,72 |
5,8594 |
2,9297 |
1,4604 |
0,7324 |
0,3662 |
0,1831 |
0,0916 |
0,0458 |
|
96000 |
750,00 |
375,00 |
187,50 |
93,75 |
46,88 |
23,44 |
11,7188 |
5,8594 |
2,9208 |
1,4648 |
0,7324 |
0,3662 |
0,1831 |
0,0916 |
|
192000 |
1500,00 |
750,00 |
375,00 |
187,50 |
93,75 |
46,88 |
23,4375 |
11,7188 |
5,8415 |
2,9297 |
1,4648 |
0,7324 |
0,3662 |
0,1831 |
Time resolution in seconds
|
|
FFT size |
|||||||||||||
|
Sample |
128 |
256 |
512 |
1024 |
2048 |
4096 |
8192 |
16384 |
32868 |
65536 |
131072 |
262144 |
524288 |
1048576 |
|
8000 |
0,016 |
0,032 |
0,064 |
0,128 |
0,256 |
0,512 |
1,024 |
2,05 |
4,11 |
8,19 |
16,38 |
32,77 |
65,54 |
131,07 |
|
32000 |
0,004 |
0,008 |
0,016 |
0,032 |
0,064 |
0,128 |
0,256 |
0,51 |
1,03 |
2,05 |
4,10 |
8,19 |
16,38 |
32,77 |
|
44100 |
0,003 |
0,006 |
0,012 |
0,023 |
0,046 |
0,093 |
0,186 |
0,37 |
0,75 |
1,49 |
2,97 |
5,94 |
11,89 |
23,78 |
|
48000 |
0,003 |
0,005 |
0,011 |
0,021 |
0,043 |
0,085 |
0,171 |
0,34 |
0,68 |
1,37 |
2,73 |
5,46 |
10,92 |
21,85 |
|
96000 |
0,0013 |
0,0027 |
0,0053 |
0,0107 |
0,021 |
0,043 |
0,085 |
0,17 |
0,34 |
0,68 |
1,37 |
2,73 |
5,46 |
10,92 |
|
192000 |
0,0007 |
0,0013 |
0,0027 |
0,0053 |
0,011 |
0,021 |
0,043 |
0,085 |
0,17 |
0,34 |
0,68 |
1,37 |
2,73 |
5,46 |
The transformation from the time to frequency domain with the FFT assumes that the input signal is periodic for the block size.
Usually, this is only true for sine waves with certain frequencies. At 44100Hz sample rate and a block size of 1024 samples a sine wave with a frequency of e.g. 1378.125 Hz fits exactly into one block. For this case, the discrete Fourier-transform gives the exact spectral representation (one peak at the frequency).
These special frequencies can be calculated easily.
F is the sampling frequency e.g. 44100
N is the block length e.g. 1024
n is an arbitrary integer factor
f is the cyclic frequency
f=n*F/N n=1;2;3;4 ...
For other frequencies or signals, which do not have this property, there are discontinuities at the transition from one block to another. Although the input signal is a sine wave at a single frequency, the FFT contains level at different frequencies. This effect is known as leakage. To diminish this effect the input is attenuated at the boundaries of the blocks. This smoothes the differences between periodic and non-periodic continuation. This technique is called windowing. Typical windows are the rectangular window, which does no windowing at all, the Hamming and the Blackman.
WinAudioMLS supports the following windows:
Rectangle
Hamming
Hanning
Blackman
Blackman-Harris
Gauss
Flat-Top
Kaiser-Bessel
Bartlett
Rife-Vincent 3-11
The higher the attenuation from the sidelobes caused by the leakage effect, the lower the frequency resolution. The main peak widens. If THD measurements are performed and you cannot use the certain frequencies mentioned above, the best results are achieved with the Rife-Vincent or Blackman windows.
However, you get better results if block periodic frequencies are used.
The effect can be demonstrated easily. Set the generator to sine at 1kHz and the analyzer to FFT mode and block size of 1024. The sample rate should be set to 44.1kHz. With the rectangular window set to on, you will monitor sidelobes.
If you vary the frequency, you will notice, that at certain frequencies no sidelobes occur. If you use a different window function, the sidelobes are attenuated independently from the input frequency.




The correct usage of windows requires deep understanding of the theory behind it. If you use a not suitable window, this can have strong impact of the measurement results. For typical scenarios, we recommend the following windowing functions:
General purpose: Blackman window
Maximum frequency resolution to measure frequencies: Rectangle window
Level measurements: Flat-top window
High side-lobe suppression: Rife-Vincent-5
WinAudioMLS PRO EX allows the measurement of impedances. These measurements require the following wiring.

Connect TP1 to channel1 and TP2 to channel2 of your soundcard. The current is measured with the resistor R. WinAudioMLS divides in the frequency domain the measured voltage at TP2 with the current. This requires the dual channel features of the PRO EX version. The following steps are necessary to perform reliable measurements.
Set the generator to white noise. The impedance measurement is not restricted to white noise. We recommend the special chirp signals introduced with the LAB edition of WinAudioMLS.
Make sure that both input channels of your soundcard have identical gain. To verify, connect both channels. Compute the differences of both channels with the time domain processing options. The spectrum should be zero. If not adjust the input balance with the Windows mixer.
Enter the value of the measurement resistor.
Replace the DUT with a known reference resistor. We recommend a value that is close to the DUT. Set the signal generator to white noise. Adjust all input levels that no clipping occurs.
Set time domain processing to R-L and frequency domain processing to R/L.
Start the impedance measurement. The reading should match with the reference resistor.
Start your measurement with the DUT.
If you are using differential inputs we recommend the following wiring:
Connect TP1 and TP2 with the differential input of channel1.
Connect TP2 and GND to the differential input of channel2.
Do not compute the difference in the time domain.
The impedance of the line outputs of typical soundcards have a high impedance, which does not allow the measurement of low impedance devices e.g. loudspeakers. Use the speaker or headphone output or use a dedicated power amplifier.
Warning: Power amplifiers can produce high voltages, which may destroy the input stages of your soundcard.
Notes for loudspeakers: We recommend impedance measurements at low levels with small membrane movements. The loudspeaker is very sensitive to external sound because it is working as a microphone. Use a quit environment.

WinAudioMLS contains an oscilloscope to monitor signals in the time domain.
The main features are:
Adjustable block length
Adjustable trigger
Adjustable delay
Trigger on positive or negative slope
RMS trigger
One shot or continuous sampling
The block length is determined by the FFT size.
WinAudioMLS includes a trigger, which starts the measurement engine, after a certain trigger condition is met. If the condition is met, a measurement is performed with an adjustable time length. After that the measurement will be stopped. Depending on the settings, WinAudioMLS scans for a new trigger condition or it stops until it is reset manually.
The trigger features can be used in any measurement mode. By default, it is active in the oscilloscope mode, only.

The trigger is armed and WinAudioMLS scans the input signal. If the trigger condition is met, the signal is displayed until the trigger is reset. The trigger is reset by initializing the audio device via the toolbar or by using the ‘reset buffer’ button on the toolbar.
In continuous mode, the signal is displayed whenever the trigger condition is met. Any old data is overwritten.
WinAudioMLS includes the following trigger options:
Level
Slope
RMS
You can use the trigger either for the oscilloscope or for the normal spectral display.
The analyzer is triggered, if the input level is above or below an adjustable threshold
In slope mode, the input level must be met the level trigger and it must be a rising or falling slope.
The RMS of the input signal must be above or below the threshold. In contrast to the level mode, it does not trigger for single samples.
There are many cases, where you don’t focus on the trigger event itself. Instead, you are interest in the signal before or after the trigger event. With the delay, you can shift the display to positive or negative directions. The delay is entered in ms. The maximum delay is around 1s.
If the trigger is active, you will see a marker on the left y-axis at the corresponding level. You can move it with the mouse, while pressing the left mouse key.
In the following example, the trigger level is at 0.015.

Here is the trigger level at 0.1.

By double clicking on the trigger marker you can open the configuration dialog.

The state of the trigger is marked with a specific color.
Green: The trigger is active and it is scanning
Blue: The trigger condition is met and the input signal is processed
Brown: The trigger condition was met and the system stopped
Red: The mouse is over the trigger marker and you can move it
You can read the current configuration by moving the mouse over the trigger marker.


The measurement window shows several real time measurements:
Data at cursor position
Data at peak position
Total harmonic distortion plus noise (THD+N) of a sine wave.
THD (PRO EX only)
Intermodulation (IMD) (PRO EX only)
FFT progress: For very long FFT blocks, this bar shows the progress of processing.
WinAudioMLS calculates different values for level measurements.
Bargraph in the left area. Signal level is calculated in the time domain. A sine at full scale results in exactly 0dB. Full scale means, that the sine fits into the possible range. The peak value is displayed as 0dB and the RMS –3dB.
Peak level: Maximum value of the spectrum. If the input is a sine with a certain frequency, that is in a special relationship with the FFT size and the sample rate and a rectangular window is used, then this level is identical to the bar graph display. For all other frequencies, there is a deviation, which is less than 3dB for rectangular and 1dB for Blackman windows.
Inband level: Signal power calculated in the frequency domain. The signal levels are summed over the current displayed frequency range. If this display range is the complete bandwidth, and rectangular windowing is used, then this value is identical to the bar graph display.
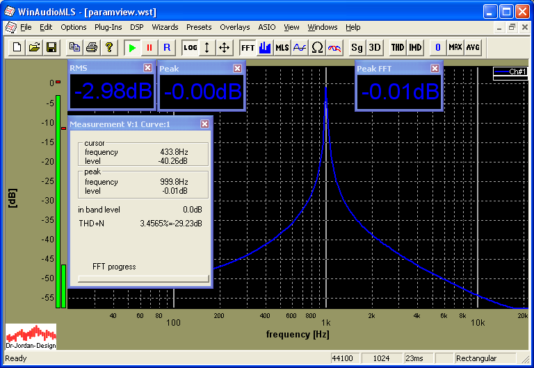
All level measurements that are based on peak measurements of the spectrum depend on the frequency. We demonstrate this effect with the following simulation. The input is a sine, which frequency is increased in steps from 100 to 1000Hz. For each frequency we calculate the spectrum. The FFT size is 4096 points. First we use a rectangular window. The picture shows the maximum of the spectrum versus the input frequency. It can be easily seen, that the calculated level depends on the frequency. In this case the variation is around 3.5dB. You will also notice the special periodic frequencies, which have a maximum level. These frequencies are equidistant. The level variation is 3.5dB for rectangular and 1dB for Blackman window.

Peak level versus input frequency for rectangular window.

Peak level versus input frequency for Blackman window.
WinAudioMLS uses a special peak level calculation that reaches a precision of less than 0.01 dB for Blackman and 0.1dB for rectangular windows. The normal calculation implemented in most other competing analyzers produces an error of 3.5dB. Please note the different y-axis scaling of the plots.

Peak level versus input frequency for rectangular window with optimized calculation.

Peak level versus input frequency for Blackman window with optimized calculation.

Peak level versus input frequency for Hamming window with optimized calculation.

Peak level versus input frequency for Hanning window with optimized calculation.
The ParamViewer shows different measurement results in separate windows. This feature is special designed for technical labs and productions tests, where you have to recognize measurement results fast and easy. You can define a threshold for each parameter. This makes violations of user defined values easily visible.
The ParamViewer shows the value in an alphanumeric form and as a bar graph meter. Each ParamViewer has a rich set of configurations to fit to your needs. The windows are freely placable on the entire desktop and scalable.

You can select the following parameters:
THD
THD+N
Inband Level
Level
Peak Level
Peak Position
Channel Separation
Difference level of 2 markers
Use View->add ParamView in the menu to activate the ParamViewer. If you double click on the window content a configuration dialog opens.

The font size is automatically scaled with the window size. You can also override this, and select a manual font size.
All properties of each ParamViewer including position and size is stored in the configuration files.
The spectrogram is a powerful tool to analyze a signal combined in the time and frequency domain. It allows monitoring the spectral components over a period of time in a single plot. Each line in the spectrogram corresponds to the spectrum at one time period. The level at each frequency is shown with a color. On the left and right side of the plot is a color bar helping to identify the level.

At an adjustable time period the spectrogram is updated. All existing lines are moved and a new line is appended.
For printing on a monochrome printer, there is also a grayscale color map.
The mouse cursor shows the frequency and the level at the current position. With the zoom function you can select a certain frequency / level range.
Note: The spectrogram is only available at the PRO EX edition.
Normally, special excitations signals are used to measure the frequency response of a system. Typically, sines, noise or special constructed signals like MLS are used.
There are situations (e.g. a live concert) where this is not possible to use these excitation signals. With a dual channel FFT analyzer it is possible to measure the frequency response of a system with real music signals. This means you can monitor the frequency response with the music signal itself. The first input channel of the dual channel FFT analyzer monitors the input music signal (e.g. the output of the preamplifier). The second channel uses a microphone to measure the sound. Both signals are divided in the frequency domain and result to the frequency response. Please note, that music does not have ideal properties like synthetic test signals. You need longer averaging periods to get reliable results. Music does not have a flat distribution of its energy in the frequency domain. At frequency ranges with low excitation energy, the computed frequency response is not precise.
Note: This feature is only available at the PRO EX edition.
With WinAudioMLS you can measure time delay. Applications are:
PA adjustments
Telephone systems
Delay measurement of filters
Alignments of multi way loudspeakers
Distance measurements or room balancing.
Even with simple setups you can reach a resolution of 1cm.
Basically, timing measurements are based on the analysis of the impulse response measured via MLS. This powerful MLS technique is highly immune against noise. It allows measurments at lower signal levels. This is equivalent to measure larger distances. With the optional 1/3 octave filterbank, you can measure delay in certain frequency ranges.
You can perform the delay measurements with a single channel setup or a dual channel. The dual channel setup shows the delay directly and is much easier to setup. Therefore we strongly recommend the PRO EX version with its dual channel capabilities.
WinAudioMLS is capable to compute large ML-sequences. A sequence length of 1 million samples is equivalent to more then 23 seconds at 44100 Hz sample rate.
We recommend to start first with a larger time and decrease this in a next step. A shorter measurement length fastens the measurement. On the other hand a larger measurement sequence has a larger correlation gain to reduce noise.
WinAudioMLS contains a Wizard for dual channel measurements. All settings are configured automatically. You will get delay measuremtns with a single click.
With the dual channel setup the measurement of time delay is very easy. WinAudioMLS can measure time delay between its two input channels and show the result in the measurement window. WinAudioMLS performs an impulse response calculation on both channels simultaneously. This feature allows automatically subtracting the internal delays, and calculating the delay of interest. Both the analyzer and the generator are configured automatically.
WinAudioMLS will display both the delay in seconds or the equivalent distance in meter, which is based on a speed of sound of 333m/s.
Setup:

With one channel you connect input and output. This will be the reference channel that measures the internal delay. Apply the second channel to the device under test. The time difference is displayed with parameter viewers, which are configured automatically.

First, you have to perform a reference measurement to define zero delay. Typically, you bypass the device under test. All consecutive measurements show the time difference to this reference measurement.
Setup:
Activate MLS measurement with impulse response and use an appropriate generator signal. Adjust MLS and FFT size. We strongly recommend using simply the wizard for room impulse measurements. This includes all settings for typical scenarios in a single mouse click. Advanced uses can set the parameters manually for higher flexibility. The plot shows a peak in the middle of the window. You can read the timing in the measurement window. Next, deactivate auto-synchronization (see picture below). Otherwise the peak would be always at a fixed position and you will not be able to measure any time differences. This option is under options->synchronization.
The first measurement shows the impulse response with a microphone 2cm in front of the speaker.


Finally, apply the test object. Just subtract the value from the initial measurement. This results in the delay of the test object.
The second measurement has been done at a distance of 170cm.

The time difference is 500ms-495ms=5ms. With the speed of sound of 333m/s this is equivalent to a distance of 166.5cm, which is a good correlation.
Please note that changing any parameters of the analyzer requires a new reference measurement. If you change e.g. the FFT or MLS size the timing changes completely. Resetting the audio device changes the timing, too.
Unfortunately, it is not possible to measure absolute timing. Absolute measurements require precise knowledge of the delay of every component in the measurement chain. Typically, these values are not known or not deterministic.
Please note that this measurement shows the results of the complete chain including:
soundcard buffers
analog filters in the signal chain
WinAudioMLS buffers
The total delay is always larger than the delay of interest.
In this tutorial we will show different techniques to measure a system. We focus on magnitude and phase response with:
FFT-analyzer
MLS
Stepped sine (tracking generator)
WinAudioMLS PRO EX
Signalgenerator PRO
Sweep/tracking plug-in
For phase measurements we need the dual channel capabilities of the PRO EX version.
The system for testing is a Butterworth filter of second order with a 2kHz cut-off frequency.
Note:
We used the free filter plug-in for the signal generator to create such filter. In addition, we used our virtual ASIO loopback driver that connects both the generator and the analyzer without any cables. This setup is similar to an analog filter connected between input and output of a soundcard. However, the pure digital solution we used is more reproducible and free of any noise or hum.
For the first measurement we used white noise at the signal generator and measured the magnitude with the analyzer. We need long averaging (around 10s) to get a smooth curve.

Magnitude response without averaging

Magnitude response with averaging

At the cut-off frequency of 2kHz the amplitude drop is 3dB.
For phase response measurement we need to measure both the phase at the input and output of the filter and calculate the difference. We can do this with the DSP options.


At the cut-of frequency we get a phase shift around 90degree.
The MLS technique is much more sophisticated and has many advantages compared to the more simpler FFT analyzer. For a MLS measurement we use special ML-sequences, which are pseudo-noise sequences with known statistic properties. The picture below shows an oscilloscope screenshot of such signal.

A ML-sequence switches ‘randomly’ between –1 and 1.
If we apply the measurement filter, we get the following pictures.

With MLS we can easily measure the frequency or phase response and the impulse response.
We used the following settings for MLS magnitude responses.


Magnitude response with MLS

Please note that the measurement time is around 100ms . This means you get a complete magnitude response almost instantly. This is extremely helpful when optimizing devices.
This plot shows the impulse response of the filter under test. Impulse responses are e.g. of particular interest when measuring room impulses.

For phase analysis we need the second channel to measure the reference phase similar to the FFT phase measurement. We feed the filtered signal to channel 1 and the unfiltered reference channel to channel 2. The following plot shows the magnitude response of both channels. The second channel (reference red) is flat.
Magnitude response of both channels

We switch now to phase plot and calculate the phase difference similar to the FFT measurement.

Phase response with MLS

The oldest technique for measuring generic systems are pure sines. Although this technique is very slow, it has many advantages that make it still an important tool.
We measure first at a single frequency by hand. The signal generator is set to sine mode and we use the cut-off frequency of 2kHz.

We watch the output with a dual channel spectrum analyzer, while the second channel is used as a reference. We use both magnitude and phase analysis.
Magnitude

We get a drop of 3dB at 2kHz
Phase

All phase information other than 2kHz is not usable because there is no user signal.
The frequency shift between both channels is 90degree. We can verify this with the oscilloscope.

It would be a lot of work to perform a frequency measurement manually, by setting it to certain frequencies and logging the results. WinAudioMLS can do this task fully automatically, and can measure level, phase, THD and THD+N with one single run.
We used the following settings to cover the frequency range from 50 to 15kHz with 40 steps. Please note that the measurement time is 28s.

Magnitude response

Phase response

All different techniques have different aspects and are suitable for certain applications.
In this table we summarize the most important differences.
|
Technique |
PRO |
CONS |
Applications |
|
FFT Analyzer |
|
|
|
|
MLS Analyzer |
|
|
|
|
Stepped sine |
|
|
|
Warning: Power amplifier contain high voltages of several hundred volts. Setup errors can easily damage your health or your equipment.
This tutorial shows how to measure the output power of an amplifier. We put special focus on distortion analysis.
WinAudioMLS plus sweep/tracking plug-in
Signalgenerator PRO
Attenuator 10:1
High power load resistor (4Ohm)
Handheld Volt meter
Soundcard (Setup uses a M-Audio Firewire 1814)
For this tutorial we use a cheap amplifier (Futuretec X-1250). This amplifier is specified as:
|
Output power RMS |
2x625W @4Ohm |
|
THD |
0.05% |
Set all gains to zero
Connect the output of your soundcard to input of the amplifier.
Connect the load resistor to the loudspeaker output.
Connect the input of the soundcard to the resistor to measure the output voltage. Do not connect the soundcard directly. With power signal of around 1000W, the output voltage over the 4 Ohm resistor is up to 63V RMS and 89V peak. This voltage can easily destroy your soundcard. We recommend an attenuator used for oscilloscopes with a factor 1:10 or better 1:100.

We set the reference point (0dB) to 1Watt at 4Ohm. This is equivalent to 2V RMS at the output of the amplifier. We want to measure from 1Watt to 1000Watt, which is equivalent to 30dB dynamic. We use 35dB to have some headroom.
Set the generator to 0dB level and a calibration offset of –35dB. This level is 35dB below the maximum output of the soundcard.

Select 1000Hz, start and un-mute the signal generator

Carefully increase the gain at the amplifier until the output voltage matches 2V RMS which is equivalent to 1Watt at 4Ohm.
The analyser window will show a picture similar to this

We need to calibrate the input, so that the analyser shows 0dB RMS for this input signal.
Set the mouse to the left bar meter which shows the RMS level. Press the right mouse key.

After re-zooming you get the following plot


We can now start the level sweep measurement.

This measurement starts at 0dB (1Watt) and stops at 30dB (1000Watt). We use 40 steps. The measurement frequency is 1000Hz. For this setup we use a short sweep time of 300ms to lower the energy to the load resistor. If you have an appropriate load you can user much larger times to stress the amplifier. It is also interesting to measure with different times to monitor how solid is the power supply of the amplifier.
The first plot shows the output level over the input level

You can clearly see a typical saturation curve. The maximum output voltage is 28.8dB which is equivalent to 759Watt.
You can also plot THD+N versus input level


The distortion drops until a minimum at 22.2dB=166Watt to –59.7dB (0.1%)
At the rated power of 625Watt (27.9dB) we get –36.9dB (1.4%)

Spectral analysis at rated power (27.9dB input level)


The following picture shows the measured frequency response. Output power is 1Watt @4Ohm. Cut-off frequency with –3dB is 20kHz.

We use a dual tone signal with 10kHz and 12kHz. Output power is 1Watt @4Ohm.

Please note that for this measurement, we set the FFT size to 4096 and use a FlatTop window.
At low signal levels this unit showed significant distortion, which was also easily audible.
At –20dB input level the distortion reaches almost 3%.

If we look at the signal with an oscilloscope we identify the distortion at the zero-crossings.
(We used 100Hz input frequency for better visibility).

After calibration we get significant better results. The distortion is well with the specifications.

Distortion analysis at 1W @ 4 Ohm

At +20dB (100W@ 4 Ohm)

At +27dB 500W @ 4 Ohm

This power amplifier reaches the specified output power. But the distortion is high, especially for lower levels, which is typical for such simple circuit design. This unit was basically not factory calibrated. After calibration we get significant better results, which are well with the specification.
Input level 0dB peak=-3dB RMS
Signal 1kHz sine
Noise level -123dB (RMS)
Sample rate 192kHz
FFT size 4096
Window function Rife-Vincent-3
WinAudioMLS PRO EX
ASIO 192kHz/24bit plug-in
64Bit FFT
We distorted the ideal sine with a non-linear curve for a THD 0.0005% and added noise for a SNR of 120dB.
For high-resolution measurements we used our 64-Bit FFT.

We reduce the noise level by averaging (here 10). The harmonics are clearly visible. The THD does not change with averaging, because the third harmonic is already significant above the noise level.

Averaging 50.

With the normal 32-Bit FFT we get the following picture which shows noise generated by the FFT itself. All other measurements are performed with the 64-Bit FFT

The FFT noise is aleady higher than our real noise.
The Blackman window’s attenuation is too low, to measure the low distortion products. Therefore, we use the Rife-Vincent-3 window.

When we switch off the sine signal we measure the pure noise.

The noise level was set to –123dB. The signal level is –3dB from the previous measurement. Therefore we can calculate the SNR by 120dB. Please take into consideration, that we need to use the RMS from the noise (level window –122.98dB). The inband-level is influenced by the measurement window. In the following analysis we use a rectangular window.

The average spectral density is around -153dB. Since it is normalized for peak values, we have to subtract 3dB. We have to integrate –156dB over the complete frequency range to get the input RMS.
The noise RMS is equal to10*log10(10^(-156/10)*2048)=-122.8dB
And matches the RMS-value from the level display.
Many people calculate a noise level of –150dB from the following picture, which is resulting to a THD+N of –150dB.
However, this noise level of –150dB is a spectral density, which has to be integrated over the frequency range. WinAudioMLS does this automatically and calculates a correct THD+N of –120dB.
This error is clearly visible if we increase the FFT size to 16384. The noise floor reduces to –156dB. We can reduce the noise floor by 3dB if we double the FFT size. However, our noise level is completely independent from any FFT size, therefore it can’t be the noise floor!
WinAudioMLS calculates the THD+N correctly to –120dB.

Although MLS sequences are very powerful compared to simple dual FFT analyzers, there is still room for improvements.
There are applications where it is desired to send signal energy in a certain frequency range, only.
Examples are measurements with midrange loudspeakers. With traditional measurement systems, you need filters to remove the signal energy below a certain frequency. Omitting this pre-filtering leads to distortion or even damage.
WinAudioMLS LAB edition uses special designed and optimized excitation signals that only have signal energy in an arbitrary frequency range.
The picture below shows such 'chirp' signals in the time and frequency domain.

Chirp signal in the time domain

Chirp signal in the frequency domain
MLS measurements are nowadays widely accepted and used, since this technique allows measuring fast and efficient.
However, several disadvantages required different techniques. The most important issues are:
Highly sensitive to distortion
Highly sensitive to frequency shifts
Constant spectral density
Distortion is not clearly audible
In the area of room acoustics, it is important to have sufficient sound energy compared to the ambient noise. Therefore, loudspeakers are often operated at their power limit, which causes distortion. Such distortion appears with MLS similar to noise. Therefore, the usable headroom is reduced. To reduce such distortion large loudspeakers are used, which are operated in their linear area.
Chirp measurements are much less sensitive to distortion. The size of the loudspeakers can be reduced, which is very attractive for mobile measurements.
Frequency shifts can be encountered with many measurements. These are for example.
Measurement with CD-player, because CD-player and soundcard to not work with the same clock
Measurements with tape machines, cassette recorders.
In the area of room acoustics in large rooms caused by air flow and temperature gradients
It is typical for the group of playback-only devices. It occurs also, when input and output of the soundcard are not derived from the same clock source, or different (unlocked) soundcards are used for playback and recording.
This frequency shift causes degradation at higher frequencies with a MLS measurement. Usually, a 2-channel measurement is performed. The second channel is used as a reference to compensate the degradation. However, this is not applicable for all measurement cases. WinAudioMLS has a built-in sample-rate conversion that can compensate any frequency shift.
With Chirp measurements, this is not required because this technique is not sensitive against frequency shifts.
MLS signals have a constant spectral density ('white') by design. For real-world measurements, this is not the optimum for loudspeakers, since most of the signal energy is located in the higher frequency area. Let us assume the total amplifier output is 100W in the area of 20Hz to 20kHz. The signal energy in the area between 10kHz and 20kHz is 50W. 47W are located in the range between 500Hz and 10kHz. Only 3W are located in the lower frequencies between 20Hz and 500Hz. This distribution is not suitable for typical loudspeakers, since their power rating reaches the maximum at lower frequencies. The constant spectral density of MLS may easily overload the tweeters. Filter may be used to shape the spectrum, but this technique is complex and has other disadvantages.
Chirp signals decay with 3dB/octave. This is similar to pink noise, although both signals sound completely different. The main signal energy is in the low frequency range which fits the best to typical loudspeakers.
With Chirp signals you can define an lower and upper frequency limit. Signal energy is only generated in the desired range and requires no complex filtering or shaping.
Since MLS sounds like noise, it is very difficult to hear distortions, which may indicate an overload state for your loudspeakers. With Chirp signals you will mostly hear when loudspeakers are close to their limit and reduce the volume. But of course you can easily damage your speaker with Chirp signals. With MLS you will in most cases destroy the tweeter with overheating, with Chirp you can destroy the woofer with mechanical overload. Therefore please adjust the volume carefully.
Unfortunately at high levels Chirp sequences sound very annoying in contrast to the monotonic MLS.
Chirp measurements are best suitable for
Room and building acoustic
Adjustment of PA-systems of any scale
Measurement of playback-only devices e.g. CD-players
Example of a Chirps signal in the time domain

Chirp-Signal in the range of 200Hz-20kHz

You can see the decay of 3dB/octave.

This dialog box allows to set various properties of the analyzer. WinAudioMLS contains two main measurement modes:
Signal analyzer
System analyzer with pseudo-noise sequences (MLS or Chirp)
In both modes you can analyze the signal in the frequency domain (magnitude or phase) or in the time domain.
This main mode is used to analyze arbitrary signals. No special excitation signal is used. The pseudo-noise must be off. You can select either power density spectrum (magnitude), phase or scope display
If WinAudioMLS is used as a system-analyzer, special excitation signals from the signal generator are used. These are MLS or Chirp signals. In this mode you can select either magnitude, phase or impulse response. The required signal generator configuration is sent to the generator automatically.
FFT size
The length of the FFT can be selected from 128 to 16 million. If you are using the analyzer in oscilloscope mode, the FFT size define the display buffer size.
Average
WinAudioMLS processes an adjustable number of blocks, averages and displays them.
Sample Rate
You can set the sample rate to any integer value, to use rates which are not officially supported by the soundcard vendor. Please note that the maximum allowed frequency depends on the version of WinAudioMLS
MLS Measurement
You can set the length of the sequence and the display mode (frequency , phase and impulse response). The MLS measurement must be activated. The FFT length defines a window that is cut out of the MLS response.
Time window
With this time window you can select a portion of the impulse response. With the parameter “delay” you can adjust the position of the main peak of the impulse response. For example a value of –5ms shifts the main peak to 5ms. Around this position you can select a window with the parameter “length”. All measurement values outside this window are set to zero. You can deactivate this feature by setting the length to 0.
Please note, that you can select portions of the impulse response easily with the impulse viewer feature of WinAudioMLS.
Calibration
The y-axis can be scaled with an arbitrary factor. It is entered in dB. This option can be enabled or disabled.
Window
You can select the window type, that is applied before the FFT. As default the Blackman window is used.
Weighting
If you are displaying a spectrum, the data can be weighted with DIN A or C curve. This feature is disabled by default.
WinAudioMLS has many settings to optimize the display. Both axes can be used with a linear or logarithmic scale. Depending on the mode of operation WinAudioMLS selects automatically the optimum settings for the y-axis. The range can be set by entering the limits in the dialog box or using the mouse for zooming.
You can reach this dialog box from the menu or by double-clicking on the axis labels.

WinAudioMLS allows entering the zoom range manually or with the mouse.
Click the left mouse button for the upper left corner of the zoom rectangle. Drag to mouse that the dashed rectangle covers the area you wish to zoom. Release the left button and the display will be zoomed.
The right mouse button scales the display to the default settings. You can set the display range manually also with the keyboard (file->display settings).
Let us assume you want to zoom from -10dB to -90dB and 100Hz to 3000Hz.
Step 1
Click at -10dB and 100Hz with the left mouse button and keep the button pressed

Step 2
Drag to -90dB and 3000Hz and keep the button pressed. A thin rectangle appears.

Step 3
Release the left button. WinAudioMLS instantly uses the new settings.

You can also zoom with the mouse the x or y axis individually. Just drag the rectangle outside the plot window. The following example shows a zoom from -20dB to -90dB. The frequency scaling remains unchanged. The procedure for the x axis is similar.

With the keyboard you can easily zoom and shift the current measurement plot.
Shift
With the arrow keys you can shift the plot in both axis
Zoom
While pressing the shift-key and the arrow-keys you can zoom in and out.
With the autoscale function you can set the y-axis ranges automatically to fit the curves. Simply press the autoscale button in the toolbar.
![]()
From right mouse key button, you can reset the scaling to default or undo the last zoom.

WinAudioMLS is able to emphasize the cursor with a readout cursor and a crosshair cursor.
With the readout cursor you can easily get the value of the curve in a numerical format.
The crosshair cursor plots two thin lines at the cursor position for reading the current position of the cursor. You can also use it as guiding lines.
Both cursors can be disabled at options->preferences.

As soon as you plot more than two curves into a single plot, it is not easy to identify all curves. The optional legend helps you to label all curves and to get a quick overview about the active curves. The legend shows the line style (color, widths etc.) and a label. By default, this label is generated automatically. You can override this.
The picture below shows two measurement curve, the maximum of channel 1 and two overlays, which are labeled.

You can move the legend to any position within the window by simply clicking on it and dragging.

Each measurement window has its own fully independent legend.

Markers and cursor read-out work for the active curve. You can select the active curve by moving the mouse cursor over the label within the legend. In the following example we activated the curve “my overlay”. It gets highlighted inside the legend.

If you double-click on a curve inside the legend, you can change the style and label of the corresponding curve. You can also disable curves.



If you click the right button, a menu appears. It allows you to hide the legend or reset it to default labeling. All labels for overlays remain unchanged. You can active the legend again from the main menu (view->legend).


This measurement tool is ideal for reading exact values from both axes. Simply double-click on any position on plot. A measurement rectangle is displayed with its default size. The rectangle displays both its height and widths in physical values. You can resize it by dragging (left mouse button pressed while moving) with the small rectangles. If you double-click on the rectangle on the right (’x’) the measurement rectangle is removed. You can move the measurement by dragging it while pressing the shift button on you keyboard.
This tool is also used to select the active parts of an impulse response for further analysis.

There are many cases where you require comments or lines in your diagrams. You can add an unlimeted number of labels and lines to your plots and move or resize them freely.

Move the mouse to the desired position and open the context menu with the right mouse key.
Select 'add label' or 'add line'.
All objects can be moved with the mouse, by dragging it while the left mouse key is pressed.
You can save all objects to a preset file.


By double clicking on the text, you can edit it and change the font size. Use ’delete’ to remove the object. But you can also use the DEL key, while the object is selected.


You can move the text to the desired position with the mouse.

You can move the start end endpoint of a line independently. You can also move the complete line. By double-clincking you can delete it.

This line is fixed to a screen position. If you require a line at –3dB, you can draw it with this line feature. But if you change the scaling by zooming, the line remains at ist screen postion, which differs from –3dB.

In such cases, we recommend to use the overlay feature. A line defined by an overlay, remains at it’s value not screen position. The line is shifted automatically.
Select ‚Overlays->set current curve as Overlay’



This line remains at –3dB, no matter what zoom range is used.

Spectra can be displayed in a bar graph style. You can select the number of bars per octave. The picture above uses 8 bars per octave. Four bars per octave result in 36 bars for the total audio band.
The human eye can not follow too fast changes of the display. If there are fast peaks inside the signal you would not see it.
The bar display contains two dynamic features to make even short peaks visible. First, for each bar a total maximum can be displayed (peak hold). Second, each bar has adjustable dynamics. It uses a fast attack and an adjustable release. The decay rate is entered in dB per second. The higher the value the faster the display. Most people prefer a more analog style, which is reached by e.g. 30 dB/s decay rate. Each bar monitors its value against the input signal. If the input signal is higher, the bar follows the input signal (attack phase). If the input signal is higher than the peak value, the new value is stored (peak hold). If the input signal is less than the bar value, the bar follows the input signal. But the speed is limited to the decay rate.
The peak hold function is reset with the ‘0’ button on the toolbar.

By pressing the ‘MAX’ button on the toolbar WinAudioMLS displays the maximum simultaneously with the current measurement. You can be reset the maximum with the ‘0’ button on the toolbar. By pressing the ‘MAX’ button again the maximum plot is switched off.
WinAudioMLS computes two kind of averages. First WinAudioMLS processes a user definable number of blocks and averages them. The second average is the total average until you reset it manually.
By pressing the ‘AVG’ button on the
toolbar WinAudioMLS displays the total average simultaneously with
the current measurement. You can be reset the total average with the
‘0’ button on the toolbar. By pressing the ‘AVG’
button again the average plot is switched off.
WinAudioMLS can display a second display simultaneously with the current measurement. The second plot can be one of the following signals:
Maximum
Minimum
Average
Second channel of a stereo device
You can activate the maximum or average plots with the buttons on the toolbar.
For the second channel of a stereo device, ‘dual sampling’ must be activated. This feature is available in the PRO EX version, only. All minima, maxima etc. can be reset with the ‘0’ button on the toolbar.
Together with the stored reference measurement, up to three plots can be displayed simultaneously.
You can plot the curves with different colors. Usually, it is difficult to distinguish such plots on black and white printers. Therefore WinAudioMLS can mark plots with unique symbols.

There are many cases, where it is useful to to visualize the measurement results over a longer period. In older days, before digital storage, this was achieved with special phosphor. These technique allowed showing short fluctuations. WinAudioMLS is not only able to imitate this persistent effect, instead it is much more versatile. You can freely adjust the persistant time from seconnds to minutes. With a special color scheme you can visualize the time variations in a much intuitive way.

In this example we store the last 30 measurement results. At an update rate of 100ms, we can monitor 3s.
If you use the color mode jet, the latest results are ploted in red. They change to orange to blue until they fade to black. The older curves are plotted in the background. The current curve is always displayed in its regular color in the foreground.
![]()

You can disable the jet color mode. The curve simply fades out.

If you want to compare different measurements, the overlay feature is very useful. It allows plotting different results simultaneously. You can also average several measurements into one overlay. This feature is very useful for averaging measurement at different room positions. Overlays can also be used as a reference; all consecutive measurements are computed from the difference to this measurement. Finally, overlays can be loaded and saved to external files. You can also copy them between different windows of WinAudioMLS.
The simplest way to create an overlay is the overlay toolbar.

If you press one of these buttons, an overlay is created form the current measurement. The legend is also updated, showing a new entry ‘Overlay #1’. You can change this appearance, by using the legend features.
If you press the button twice, the overlay is hidden. If you press the button a third time, a dialog box appears.

Her you can choose between different options. If you press cancel, current overlay is displayed without changes.
Any overlay can be set as a reference measurement. All consecutave measurements are displayed with respect to this measurement. You can see this feature also as a calibration or correction.
Go with the mouse to the desired overlay. Press the right mouse key to open the context menu. Select ’Set as reference’.

The live measurement (blue curve) is now displayed as the difference to the overlay. If both cures would be identical, you would get a flat line at 0dB. In this case with noisy input, the live curve is shifted in the area of +/-10dB.

For more advanced features with overlay, you can select the menu options.
You can easily save the current curve as an overlay by using ‘Overlays->Set current curve as Overlay’.


If there are multiple curves on the screen, you can select the source curve.
You can also derive an Overlay from a mathematical operation between two curves. This feature is discussed in the next sections in details.
You can assign a name and individual line style to each curve.


Each curve can be individually activated by using the above dialog box or the menu entry.

All overlays are stored with the configuration file and can be used by loading the setup file. You can also load overlays from text files or save them individually.
WinAudioMLS can import data from text files and displays their content directly as an overlay. This feature is useful to display e.g. limit or reference data. All text files contain pairs of frequency and the y-axis value. The y-axis value can be interpreted as decibels, percents or without scaling.
One example file contains the following data:
20 6.3
112 6.3
114 2
500 2
12500 2
12500.01 100
20000 100
The data is separated with spaces and contains one pair per line. The data above is imported with the following settings. You can freely select one of the 10 overlays.

With this data you get the following plot

One other example uses the following data, which should be imported as decibels.
31.5 -65.2
90 -40.1
100 -30.1
112 -12
125 -5.1
10000 -5.0
12500 -20
14000 -40
16000 -43
18000 -48
20000 -50.2


You can also display multiple overlays in one single plot.

You can create an overlay as the result of a mathematical operation between two curves, or one curve and constant. This feature is very useful to visualize the difference between two channels or to add e.g. 12dB to a curve.


WinAudioMLS supports the following math operations
|
ADD |
Sum |
|
SUB |
Difference |
|
MUL |
Multiply |
|
DIV |
Divide |
|
MAX |
Maximum |
|
MIN |
Minimum |
|
ABS |
Absolute value |
|
SQRT |
Square root |
|
LOG |
Natural logarithm |
Example
With this setting, you will get the following result (Any value below –100dB is cut)


For many measurements it is very useful to display helping lines at e.g. –3dB. With the overlay feature you can easily create such lines.
Use the “Set current curve as Overlay” dialog box and define you constant.

It is important that any mathematical operation is disabled (NONE) and the check box “Use a constant” is selected. The source curves have no impact.
If you need more complex help lines, you can create them from text files (pairs of frequency and level) and load them as an overlay.
Simply create a text file with the following content.
1 -3.0
100000 -3.0
You can save it to e.g. minus3dB.txt and load it as an overlay.


WinAudioMLS can shift overlays according to the live input on any channel. This feature called dynamic overlay allows plotting lines relative lines with respect to a reference frequency. In this example WinAudioMLS scans the level of input channel 1 at 1000Hz. Overlay 1 is shifted by this level. You can also add an offset.

In the following example the help line at –3dB is shifted automatically with the input level.

WinAudioMLS can display user-defined markers. These markers allow reading the measurements results easily. You can monitor the level at certain frequencies. Markers are not restricted to spectra plot. You can also use it in oscilloscope mode or any other plots except bar plots. In the dialog box display settings->marker you can enter a list of positions to display the marker. Each line contains one x-axis value. You can also enable or disable marker.


You can also set or delete markers at the mouse position from the right mouse key context menu.

For many cases it is useful to read the marker value into a table for documentation purposes.
Simply choose View->Show Marker

With copy to clipboard, you can extract the numerical values
1000.000000 -84.273102
2000.000000 -84.658798
3000.000000 -96.580025
10000.000000 -109.550201
WinAudioMLS can display the corresponding musical note at the cursor position. This function is useful for tuning instruments. In particular it helps instrument builders to easily read the note value. The display shows the note "C C # D D# E F F# G G# A A# B C", the ideal frequency and the deviation from this frequency in %. 100% corresponds to one quarter tone distance. The display matches the equal tempered 12 tone scale:
|
note |
frequency (Hz) |
|
B |
493.883 |
|
A# Bb |
466.164 |
|
A |
440.000 |
|
G# Ab |
415.305 |
|
G |
391.995 |
|
F# Gb |
369.994 |
|
F |
349.228 |
|
E |
329.628 |
|
D# Eb |
311.127 |
|
D |
293.665 |
|
C# Db |
277.183 |
|
C |
261.626 |


This item uses a special calculation which improves the level estimation for sinoid input signals. You can easily check this feature if you enter a sine sweep signal. You will notice a very low level variation with the input frequency. If you disable this feature, the level variation can be up to 3dB depending on the window function and the input frequency. You will find a further discussion on this feature in the section about windowing.
The smoothing feature allows removing noise from measurements. You can select the average length in fractions of octaves. Please use this feature with care, because it allows modifying the measurement results significantly.
The following picture shows an unsmoothed frequency responsponse and differnt settings from 1/1 to 1/12-octave.

For distortion analysis, WinAudioMLS allows to limit the total number of harmonics to display. You can also mark the even or odd harmonics, only. For sweep plots (THD+N or THD vs. frequency) you can choose using a logarithmic percent display.
WinAudioMLS includes many features to scale and shift the input signal automatically.
Auto scale: This feature from the menu bar sets the y-axis display range that all visible curve fit into it. The calibration is not changed.
Set mouse to 0dB: With the context menu from the right mouse key, you can set the 0dB reference level at this position. WinAudioMLS changes the y-axis calibration automatically.
Set peak to 0dB: WinAudioMLS sets the input calibration to match the peak level 0dB.




WinAudioMLS has many options and adjustments to adapt the system to your needs. You can save all settings and store to different setups. Use the save option to store all settings to a file and load to restore it. There is a list of your last settings to speed up loading above the file menu. WinAudioMLS stores all settings in a .wst file.
You can configure the behavior at startup, with the preferences dialog (options->preferences).

Start with the WinAudioMLS default settings
Return to the last state when you shut down WinAudioMLS
Use the last saved file
Select an user defined *.wst file
Below the file menu entry, WinAudioMLS shows a list of the last saved settings.

For easier access to your settings, you can define up to 10 presets. Store your settings first to a .wst file and then select it to the presets entries. You can also define a name that appears in the menu entry that makes the function of the setting clearly visible.

You can configure the presets with the setup entry.

The primary format for WinAudioMLS is the binary *.wst format, which contains all configurations and curve data. In addition, WinAudioMLS can read and write text files (*.ini). The advantages of this format are:
Readable and editable by hand
Ideal for support issues
Can be read by different versions of WinAudioMLS
During startup, WinAudioMLS loads the file ‘default.ini’.
Please note that this format contains only a subset of all configurations. Windows positions etc. are not stored.
You can access .ini-files with ‘load/save config’ from the file menu.
Below you will find an example of such file.
[Settings]
FFT size=4096
Channel mode=1
Sample rate=44100
Average=2
Smoothing=1
Smoothing Octaves=3
Peak interpolate=1
Window type=2
Weight type=0
Calibration=0
Calibration offset=0.000000
FFT submode=0
[MLS Settings]
MLS mode=1
MLS size=4095
MLS pregap=0
MLS length=0
MLS submode=0
[Trigger Settings]
Level=0
Slope=1
Below=0
Mode=1
RMS weight=0
Channel=0
Scope only=1
[Sweep Settings]
Steps=1
Start frequency=1000.000000
Stop frequency=1000.000000
Time per step=700.000000
Log step=1
Start level=-90.000000
Stop level=0.000000
Frequency=1000.000000
[Filter Settings]
DC block=0
1kHz=0
RIAA=0
RIAA invert=0
[Display Settings]
Refresh rate=100
[Generator Settings]
Mode=0
Frequency=1000.000000
MLS length=1023
Volume=1.000000
Balance=0.000000
Mute=1
Invert Phase=0
Attenuator 3dB=1
Attenuator 5dB=0
Attenuator 10dB=0
Attenuator 20dB=0
Attenuator 50dB=0
[THD Settings]
Even harmonics=1
Odd harmonics=0
Number of harmonics=20
Plot percent=0
Many measurements require calibration to absolute values. The input signal can be multiplied with an arbitrary scale factor. This is equivalent to an addition with a logarithmic scaling. For calibration, you need either a reference signal (sound level calibrator) or a true RMS meter.
For sound applications we integrated a quick calibration mode that quickly calibrates WinAudioMLS to a reference level, by using a sound level calibrator.
Typically, 0dB is defined to 1mW at 600This is equivalent to 0.775V RMS or 1.096V peak-peak for sine signals. You can set the 0dB reference of WinAudioMLS to any input level.
For acoustical measurements 0dB matches the threshold of human hearing. This value is standardized to a sound pressure of 2x10-5Pa.
Applications are sensitivity or maximum output level measurements of loudspeakers, psycho-acoustic measurements and noise analysis.
A sound level calibrator generates a tone at a specified level. You can view such a device as a loudspeaker with connected compression chamber. This sound level need to be constant over a wide range of environmental conditions. Therefore, such calibrator may contain a microphone or sensors for air pressure and temperature.
There exist also pistophones, which contain a moving piston, that compresses a well defined volume of air.
Typically, levels of 94dB are used. The refernce frequency is 1000Hz in most cases. Pistophone use lower values (250Hz).
The measurement microphone is plugged into the calibrator. The orifice is typically 1-inch. With adapters you can also connect ½-inch or ¼-inch microphones.
According to DIN/IEC 60942 calibrators are divided into 4 precision classes.
Connect a sound level calibrator to the microphone. Typically, a level of 94dB is used.


This sound level calibrator generators a signal with 94dB at 1kHz. From the picture above we have a headroom of less then 10dB. With these settings you will be able to measure up to 114dB. If you need to measure higher levels, please reduce the analog input gain. Many sound level calibrators offer 114dB in addition.
For calibration use Wizards->Quick calibration. Enter the reference level.


WinAudioMLS scales the input that the RMS matches the reference level. The y-axis is also scaled automatically.
Calibration by comparing with a sound level meter
If you have a sound level calibrator, please refer to the quick calibration section. However, you can also calibrate with sound level meters, but this less precise and requires more steps.
Place a sound level meter close to your measurement microphone. The reading shows for e.g. 95dB.
Measure the level with WinAudioMLS in dB. We assume this to be –22dB.
Enter 95dB-(-22dB)=117dB as calibration offset. WinAudioMLS will now show the input signal correctly as 95dB.
Calibration with reference 0dB signal
Connect the signal source with the reference level, you want to define as 0dB. Usually, this is performed with a sine at 1kHz.
Measure the level with WinAudioMLS in dB
Set the calibration offset to the measured value. E.g. if the reference measurement shows -34dB, enter 34dB as the calibration offset. The analyzer will show this level as 0dB.
Calibration with RMS meter
Connect the signal source (typically sine signal) and measure the RMS value or the peak-to-peak value with e.g. an oscilloscope. Let us assume you measure 1.2V RMS.
Measure the level with WinAudioMLS in dB. We assume this to be –3.2dB.
The input level has a level of 20xlog10(1.2/0.775)=3.7dB. The required offset is 3.7dB-(-3.2dB)=6.9dB. Enter this value as calibration offset. WinAudioMLS will now show the input signal correctly as 3.7dB.
Note: The calibration is only valid until you change the settings for the Windows mixer.
Usually, the measurement equipment is not ideal e.g. cheap soundcards or microphones, which do not have flat frequency response. WinAudioMLS allows calibration of the complete transfer function. In a first step, the measurement equipment is measured itself.
The result can be stored as a reference measurement. The next measurements of the DUT are relative to this stored frequency response. The reference file itself is a simple text file. If you have calibration values for your microphone, you can enter them manually.
The FFT length of the reference and the current measurement must be identical. In addition, the sample rate must remain the same.
Please notice that your measurements may get noisy. One example explains this easily. Assuming you use a microphone which has a cut-off frequency of 10kHz. The calibration will increase the level at frequencies above that cut-off frequency. Nevertheless, this will increase the noise level at those frequencies.
In the ‘Reference Measurement’ dialog load a measurement and mark ‘Display Measurement - Reference (Compensation)’ tick box.
You can load a previously stored measurement and display it with the current measurement simultaneously. In the ‘Reference Measurement’ dialog, load a measurement and mark ‘Display Reference’ tick box.
WinAudioMLS allows to calibrate the frequency response. One typical example are microphones. Their frequency response is not ideal. If you know the deviation from a reference measurement with a 'golden' microphone, you can enter it to a calibration file. A calibration file is a simple text file. WinAudioMLS supports two file formats. The first format contains pairs of frequency and level values. They must be entered in ascending order. They are not forced to be equal distant. WinAudioMLS interpolates the required values. Level can be either linear or logarithmic (dB). The second format is more related to the output of the FFT. All values are equal-distant and linear. The calibration data can be displayed for verification. To display the data please mark both tick boxes.

First format
line 1: magic number '1457934344'
line 2: either 'lin' or 'log'
starting from line 3: frequency one blank level
example
1457934344
log
40 10
100 0.3
200 0.2
4000 -20
20000 0.3
Second format
The frequency band from zero to half the sample rate is equally divided into the number of values. Typical settings are 44100 Hz sample rate and 512 values. The first value is at 0 Hz (DC) the second at 43.066Hz and so on. The values itself are linear values not dB.
line 1: magic number '1457934343'
line 2: number of values
line 3: sample rate
starting from line 4: levels
example
1457934343
4
44100
7.298648e-005
3.894381e-005
2.070305e-005
1.819713e-005
For certain measurements e.g. MLS it is important that the signal generator and analyzer use exactly the same sample rate. Even if both are set to 44.1kHz there might be differences because of quartz inaccuracies. Usually the difference is small e.g. 10Hz at 44.1kHz. The difference is mostly non-audible, but it is decreasing the performance of the MLS measurement. A frequency offset causes an attenuation of high frequencies. With typical consumer equipment, this attenuation starts at 10kHz and reaches 5dB at 20kHz. The audio analyzer has a unique sample rate conversion that compensates frequency offset. Many people use a CD-player as a generator. Let us assume this device as a sample rate of 44057.435Hz instead of 44.1kHz. With WinAudioMLS you can sample at exactly this frequency. No other audio analyzer in the market has this feature.
Ideally, you need to measure the exact sample frequency first. WinAudioMLS is designed as a real-time measurement system. You can modify the sample rate on the fly and watch its effect immediately. Just move the pitch slider until the frequency response reaches the maximum. With this technique, you can easily measure the real sample rate.


frequency response without pitch correction

frequency response with pitch correction
Note: If you are using your soundcard in full duplex mode, you usually do not need the sample rate conversion, because both the input and output are synchronous.
Some soundcards have a DC offset. Even if the input is shortened to ground, the data from the soundcard is not zero. Such a DC offset is not audible but is disturbs several measurements. WinAudioMLS has a high pass filter (Butterworth filter with 10Hz cut-off frequency) to remove such a DC offset. Please note that this filter has a settling time of around 700ms. The filter is not active by default. You can activate it under advance settings.
Cross-correlation is a mathematical operation between two signals.
From a simplified point of view it describes the similarity between two signals. In the area of audio measurement it is widely used to judge stereo signals. WinAudioMLS displays the magnitude of the cross-correlation over frequency. For a mono signal, left and right channel are identical. In this case the display of the cross-correlation shows the squared spectrum of the input signal. Two independent signals have low correlation. They are uncorrelated. In a real stereo signal, there are visible correlations depending on the signal. Typically voices or vocals are mixed to the virtual center. In this frequency range you will see clear correlations.
To display the cross-correlation, you need the dual channel capabilities of the PRO EX version

Activate dual channel sampling at advanced settings. Cross-correlation is simply multiplication in the frequency domain. Enable R*L in the frequency domain.

You can display one of the input channels simultaneously. At display settings enable dual display and set second channel as second curve. You can display the other channel by using the exchange channel option.
SQRT correlation
Die SQRT correlation is similar to the normal cross-correlation. The only difference is, that the square root (SQRT) is computed before displaying the data. For a mono signal you will monitor the power spectrum of the signal instead of the squared one.
Correlometer
The correlometer performs a special normalization. If both signals are identical 0dB is displayed. This type of display allows to monitor differences between the two channels easily. Pure level differences are automatically recognized and removed. This means that are balance change does not modify the display.
Note: You can easily monitor all correlation results over time by using the spectrogram display.
On the toolbar, there are three buttons to control the audio hardware.
Start processing
Stop processing
Reset the audio device. Use this button to initialize the audio hardware and to clear all peak values.
WinAudioMLS allows selecting the audio input device, if there are multiple soundcards installed in your system.
WinAudioMLS samples one channel at the time. You can select either mono, left or right. Default is mono. Typically, it is the sum of the left and right channel. However, this depends on your audio hardware. In the PRO EX version, you can select the dual mode to sample and process two channels simultaneously.
WinAudioMLS receives the audio data from the input device in blocks. The larger the block the lower the CPU load. Large blocks do not allow low latency display. Win9X has limited multitasking capabilities, which limits the minimum block size on low speed systems.
The default block size is 8192 samples (185ms latency). The faster the CPU the smaller the possible minimum block size. On systems with more than 800MHz, you can set the minimum block size to 256 samples. Try this value carefully. If your system is too slow, it might become unstable with too small block sizes.
The following settings are recommended for high-speed display with low latency:
Display refresh time: 20ms
FFT size: <1024 samples
Input block size: equal to FFT size
Note: These settings allow real time monitoring of the input signal but require fast systems. Win 2000 or XP is recommended. Some audio devices e.g. USB systems use larger blocks internally. On such systems smaller blocks do not decrease the latency.
WinAudioMLS can analyze audio files instead of
capturing the data from soundcards. Use file->analyze .wav file to
start the analysis. A file selection dialog box appears, that allows
you to select the file. Supported file formats are the Windows .wav
file with the following parameters:
PCM format
A-law and µ-law
8,16 and 24 or 32 bits resolution
support for IEEE 32 bit float format
mono, stereo or multi channel files
all sample rates are supported
The analyzer starts at the beginning of the file and restarts at the end of the file. Use the audio reset button to restart from the beginning of the file.
You can switch to normal analyzer mode by using the menu entry file->stop wave file analyzer. A transport window informs you about the current file position and some useful file information.

If you need to analyze a file with more than two channels, you will require the multi channel extension of WinAudioMLS.
Please note that you require the 24 bit edition of WinAudioMLS to analyze 24 bit wave files. The following picture is a spectral analysis of a 24 bit file with a sine at -100dB from full scale.

You can export the current plot to other windows application e.g. word processor for documentation. As default, the plots are copied in a vector format (enhanced Windows meta file). Some application do not render this format correctly, e.g. text is mirrored etc. You can also use a bitmap format for the clipboard, which is mostly compatible. In general, bitmap graphics are not as memory efficient as vector graphics and more difficult to scale. But the big advantage of bitmaps is, that they match exactly to the display.
You can easily make screenshots of the measurement windows by pressing the ‘print‘ key on your keyboard. This key copies the entire content of the screen to the clipboard. You can paste it to any word or image processor. If you use ‘ALT+print’ the content of the active window is copied only. Typically you use a image processing program like Photoshop or Photopaint etc or directly a word processor to paste the screenshot. With such program you can print it or convert it to .jpg or .gif to send it efficiently via email.
This mechanism is part of the operating system and valid for any program running under Microsoft Windows.
You can also use it to copy the 3D plots of WinAudioMLS.
Such screenshots are very valuable for our support to assist you on any problem you encounter.
WinAudioMLS contains a new impulse response viewer.
Any linear system can be described with its impulse response. All relevant system parameters can be derived from it. Therefore, an impulse response is the key for most analysis techniques.
With the impulse-viewer you can easily plot different views out of it. This includes:
Frequency response
Phase response
Group delay
Step response
Energy vs. time
Waterfall plot
Energy decay (Schroeder plot)
Reverberation time
STI/RASTI analysis
You can easily watch different views simultaneously in different windows. With the toolbar, you can easily switch between different modes.

The symbols have the following meaning:
IR Impulse-response
STP Step-response
FR Frequency-response
GD Groupdelay
PR Phaseresponse
ETC Signalenergy vs. time
RT Reverberation in 1/3 octave bands
EDC Energy-decay curve (Schroeder-plot)
You can also calculate the frequency response from sections of the impulse response. With this feature, you can monitor the changes of the frequency response while you move the selection.
An impulse response can be derived from the measurement via MLS, Chirp or impulse excitation. You can also load it from a .wav or text file
The impulse viewer runs completely independent from the real-time module. Before you can use any of these features, you have to copy an impulse response to the internal memory. Such an impulse response can be generated from a measurement or a file.
To use the current measurement, select plugins->impulse->use current measurement. You can use this function only, if you are measuring an impulse response (via MLS or Chirp) or using the oscilloscope. You can also update the internal memory automatically from the current measurement.
In this short tutorial, we will demonstrate how to calculate the frequency response from a certain region from the impulse response. You can find general instruction how to measure an impulse response in the chapter “first steps with WinAudioMLS”.
First, start with a measurement of an impulse response with e.g. wizard->room impulse with MLS.

With “plugins->impulse->use current measurement” you can store this measurement in the internal memory. You can now change the display with the impulse-viewer. First, we simply display the impulse response with IR from the toolbar.
Open a new window with Windows->new window

Next, copy the impulse response to the new window. Activate window 1 and use plug-in->impulse->copy.
You can enter the target window

In the second window you can now activate the impulse response display (IR from the toolbar).

Both windows should show the identical curve.
Now we select a frequency response for the second window (FR from the toolbar)

Both windows can be zoomed independently.

You can select a region with the measurement rectangle. Double click with the left mouse key to open it. You can resize and move it with the mouse. The frequency response in window 2 will be calculated from this region only. It is updated automatically while you move the rectangle. With this feature, you can analyze certain portions of the impulse response very easily.

You can also write impulse responses from the internal memory to a file. With “Plug-in->impulse->save” you can store it to .wav or text files. Since .wav files have a range from –1.0 to +1.0, the impulse response is normalized before saving.
The demand for powerful measurement solution in building acoustics is growing.
With WinAudioMLS you can perform the following measurements
level analysis with octave or 1/3 octave resolution
attenuation of e.g. walls or windows
long-term measurements and logging for e.g. traffic noise
reverberation time
room impulse response
energy decay plot
WinAudioMLS makes measurements easy with the following features
display of all measurements in real-time
weighting of two microphones
can be calibrated
weighting with 'A' or 'C' curve
averaging
peak hold
measurements results can be easily transferred to your reports
Traditionally technician use pink noise for measurements. If you want to measure e.g. walls with high attenuation it is difficult to reach sufficient signal to noise ratio, without using high transmission power or excessive averaging.
With the sophisticated MLS-technique together with modern digital signal processing algorithms, measurements are more efficient. The gain is typical 20-30dB.
higher signal to noise ratio (more accurate)
lower signal levels
less averaging required (faster)
only smaller amplifiers and loudspeakers required (portable)

WinAudioMLS contains two types of generators. First we offer one standalone generator, that is completely independent from the analyzer. But it can be controlled by the analyzer for automatic test runs.
For measurements with ASIO WinAudioMLS contains 10 integrated generators. In this case you can’t use the external generator, because only one program can access an ASIO soundcard.
The signal generator is a powerful 32-bit Windows application that can generate many test signals. They are mainly focused on audio systems but can also be used for other areas, e.g. control systems. Most of all parameters are adjusted in real-time. Every movement of the sliders directly modifies the output signal. The signal generator is based on DirectX, which allows to connect more than 2 outputs (multi channel up to 64 channels) and to mix the output of multiple generators.
Waveforms: sine, rectangular, triangular, noise
Maximum Length Sequences (MLS)
Adjust frequency, phase, level, MLS length
Volume can be adjusted variable or in fixed steps
Adjust all parameters in real-time
DirectX based
Supports multiple soundcards
Create .wav files
No installation required
PRO Version
Sine sweep: linear and logarithmic
Pink and Gaussian noise
Adjustable pulse widths for rectangular signals
Burst signal generator
Can be calibrated
Run multiple instances to mix signals
24-bit support via ASIO or directX (optional)
up to 64 channels via ASIO (optional)
Various digital filters (RIAA, A,C, parametric) (optional)
Command line interface for scriptings (optional)
The signal generator supports the following waveforms
Sine
Triangle
Rectangle
White noise
Pink noise
Gaussian noise
Maximum Length Sequences (MLS)
Sine sweep
Burst signals
Play waveforms from a file
Note: Sine sweeps and pink noise are supported by the PRO version, only.
For sine, triangle, rectangle waveforms you can adjust the frequency in different ways. The frequency slider directly changes the frequency. The actual value is displayed in the edit box. Every movement of the slider with the mouse immediately changes the output frequency. This feature is different to our competitors. Most other signal generators compute a while until the frequency changes take effect. Our program can be compared with a well known analog generator. The range of the slider can be switched between coarse and fine. If you select fine the frequency slider is centered and the upper and lower frequency limits are set to +/- 10% of the current value. The current frequency is displayed numerically. In this edit box you can enter the frequency manually with the keyboard. You can also enter the upper and lower limits for the frequency slider.
The PRO version offers additional tools:
Resizable frequency slider
Configurable presets.
The PRO version of the Signalgenerator includes a large frequency slider that allows entering frequencies very precisely with the mouse. This tool is freely resizable and movable to fit your needs. It fully synchronizes automatically with the main dialog box. You adjust the upper and lower limits from the main dialog box.
You can open the frequency slider with view->frequency slider from the menu.

You can display the frequency axis linearly as well logarithmically.


The PRO version includes a tool to set user definable frequencies with one click. You can freely define the frequencies by double-clicking on the buttons.

The signal generator supports several techniques to enter the level.

In this dialog box you can also a calibration offset that is applied to all levels.
There are predefined attenuators for -3,-5,-10,-20 and -50dB. All attenuators can be combined, e.g. -10 and -20dB results in a total attenuation of -30dB.
The volume slider controls the total volume of all channels from zero to full scale.
The balance slider controls the level between the left and right channel. The levels of all other channels are not affected.
Sets all channel to digitally zero.
Both sliders use a logarithmic curve to get a more 'natural' control.
All level control is done digitally. If you decrease the volume you decrease the dynamic. With a 24-bit soundcard and our 24-bit version of our signal generator you have much more headroom.
You can adjust the level with the Windows mixer, too. Please make sure that you use the correct Windows mixer settings. Several soundcards use their own control program to change the mixer settings.
The signal generator shows its signal statistics in separate window. It is updated automatically. It includes:
Peak in % and dB
RMS in % and dB
Crest factor
For Peak and RMS value it also shows a bar meter for faster view.

You can play stored wave files from .wav files. At the end of the file it is restarted (Reloop). You can adjust a fade-in and fade-out time for smooth transitions. The effects are applied in real-time and do not change your files.


For rectangular signals you can modify the pulse widths between zero and 100%.
Note: This feature is supported by the PRO version, only.
This burst generator allows to generate special burst signals in a very flexible way. Basically you define a rectangular signal. This signal can directly used as the output or to modulate the amplitude of any other generator signals. You can define the level of the on and off phase of a signal. With this feature you can generate signals that switch between two levels.
Here are some examples of signals you can generate with this tool:
Sine bursts
Noise bursts
Rectangular signals for Jitter measurements
These signals are widely used for loudspeaker power measurements or Jitter analysis.
You can adjust the time duration of each phase starting from sample units to days. The precision is one sample. The level is adjusted in a linear way. 1.0 is full scale. 0 is off. 0.1 is equivalent to -20dB. You can also enter negative values to change the phase. Please note that the final volume is set by the level control elements. If you enter 1.0 and set the attenuators to 0dB the output will be full scale.
You can force the generator to start each burst with zero phase.
Below you will find some examples of settings and the resulting signal type.
These settings generate a sine signal that is on for 10ms at full scale and off for 10ms. It starts with zero phase.

These settings generate a sine signal that is on for 10ms at full scale and with a level of 0.1 for 10ms. Phase is continuous.


These settings generate a noise burst that is on for 200ms at full scale and off for 100ms.


There exist a lot of different Jitter test signals. The AES3 is widely used. It contains a rectangular signal at ¼ of the sample rate with a level of 0.5. The second component is a rectangular with 192 samples on and off. The level is 1 LSB. Both signals are added.
With the generator you can create such signals in a very flexible way, since you can define the timing on sample basis and the level as a direct value.
Below you will find such an example which is a signal with 4 samples on and 4 samples off.


Note: This feature is supported by the PRO version, only.
You can change the phase between the left and right channel in multiple of samples. The current phase shift is displayed in samples and degrees. You can directly enter the desired sample offset. All other channels in a multi channel environment are not affected.
You can add a phase shift of 180 degrees (sign inversion) between the left and the right channel.

The signal generator supports multiple soundcards in your PC. Select the desired soundcard from the selection box. You can also adjust the sample rate. If you enter a value, which is not supported by your hardware you get an error message or no signal output. This behavior depends on the soundcard driver. Typical sample rates are 32000, 44100 and 48000Hz.
Your soundcard must support at least 16-bit. Old 8-bit devices are not supported.
If you own the 24-bit version of our generator you can activate a high resolution mode. You can enter the bit resolution between 8 and 24 bits. Of course you need a soundcard that supports more than 16 bits. Please note that these high resolution modes of the soundcard must be available via DirectX or ASIO drivers.

The signal generator supports up to 5 output channels. You can disable this feature to run on stereo soundcards. From a selection matrix you can disable or enable all speakers.
On the toolbar there are two buttons to control the audio hardware.
Start processing
Stop processing
You can easily create a stereo .wav files from your current settings. You can select the file length and name. Please note that these uncompressed .wav files consume 12MB per minute. With the 24-bit extension you can also write 24-bit .wav files.
The signal generator can generate special sequences, which are used for a wide range of measurements. They are very powerful to measure e.g. frequency responses.
The only parameter for the ML-sequence is the length of the sequence itself. The frequency slider has no effect. Select the desired length from the selection box and press 'Apply' to use this setting.
Note: Please make sure that you use the same MLS-length and sample rate in the generator and analyzer. The analyzer controls the generator and sets the values appropriate. But you can override these automatic settings.
A widely used technique to measure the behavior of e.g. a loudspeaker is sine sweeps. The signal generator creates sweeps, which change the frequency continuously. You can select the start and stop frequency and the sweep time.

You can also choose between a linear and logarithmic sweep. A linear sweep increases the frequency by a constant value every second. The logarithmic sweep instead starts slowly and speeds up. This results on a typical logarithmic frequency scale in a constant speed. The sweep time of one octave is constant.
With the signal analyzer WinAudioMLS you can easily measure transfer functions. WinAudioMLS supports a tracking measurement mode (stepped sines), where the analyzer itself control the signal generator automatically.
The PRO version of the signal generator offer several digital filters. These filters include:
RIAA and inverse RIAA
A and C weighting curves
Free filter (high pass, low pass, band pass and band stop) with Butterworth, Chebychev and Elliptic characteristic.
Dialog box for the free filter

With the DC offset you can shift the output signal. Normally, the output signal is symmetric. A full-scale sine has a range of -1.0 to +1.0. To set the range to e.g. 0 to +1.0 you have to decrease the level first by 6dB. This results in a range of -0.5 to +0.5. With a offset of 0.5 you get the desired range.
Most soundcards have a low cut frequency of 10…20Hz. Any DC component is removed due to capacitive coupling at the analog outputs.
Please note that you can overload the output very easily with the DC offset.

The Signalgenerator contains a FM-modulator. The output frequency is determined by its input signal level. This function is also called VCO (Voltage Controlled Oscillator).
The signal type you configured (sine, rectangle etc.) is modulated before it is send to the output. The level control always sets the final output volume. You can adjust the frequency shift of the modulator to set the output frequency range. With a frequency shift of e.g. 1000Hz you get an output frequency of 1000Hz for full-scale output (1.0).

With the FM-modulator you can generate many different signal types. The following example shows how to generate a signal that switches every second between 500Hz and 1000Hz.
First we need a rectangular signal with a frequency of 0.5Hz. With a DC offset of 2.0, we shift the signal to a level range of 1.0 to 2.0. In FM-mode there occurs no overdrive, because the DC offset is handled in a special way. The frequency shift has to be set to 500Hz.
The freeware version has a fixed frequency shift of 1000Hz.
Certain applications require dual tones to measure e.g. intermodulation effects. To create a dual tone with 1 and 2 kHz start two instances of the signal generator. Set both to the desired frequency (one with 1kHz the other to 2kHz). Set both attenuators to at least -3dB to avoid clipping.
With the ASIO module you have 10 independent generators. You can link all other generators to the first generator. If you change the frequency of the first generator all other generators follow.
In a first step you set all generators to their base frequency. In a simple example we set generator #1 to 1000Hz and generator #2 to 2000Hz.You link the generators in 2 ways, to keep either the frequency difference or quotient constant. If you change generator #1 to 1100Hz generator #2 is set to 2200Hz or 2100Hz, depending on the mode. You can configure this from the ASIO generator menu.
This mode is supported by the internal ASIO generator, only.

Similar to the scenario mentioned above you can start one signal generator with a sine and one other with noise. If you run multiple instances make sure that you use the same sample rate. If not, you will increase the CPU load or even worse add additional distortion
Note: This feature is only available with the PRO version.
Many soundcards on the market support more than the typical CD quality (16-bit 44.1kHz). The normal version of the signal generator addresses all devices in 16-bit mode, only. The increased dynamic range is unused. A special version of the signal generator with 24-bit support can activate these modes. You can enter the bit resolution between 8 and 24 bits.
On our website you will find a special 24-bits test version of the generator. It is limited to a sine with 777Hz, but it allows to check for compatibility. Of course, the 24-bits full version supports all frequencies.
Note: The high resolution modes of the soundcard must be available via DirectX drivers or ASIO.
WinAudioMLS offers plug-ins for special applications. These plug-ins are not part of the standard package, but we offer them as an upgrade.
At present the following plug-ins are available:
ASIO 192kHz 24bits
Multi channel 64 channels
Frequency and level sweep with tracking generator
Special functions for production and quality tests
Datalogger for long-term measurements
Reverberation time and Schroeder plot
Octave+1/3 Octave RTA
64-bit FFT
1/3 octave filterbank
Free filter
RIAA filter for analysis on phono equipment
Audio recorder to log the input samples
Script engine to run WinAudioMLS from scripts for e.g. production tests
STI/RASTI (IEC60268-16 STI/RASTI)
Psychoacoustic loudness model (Sone)
3D Visualization
Vectorscope / Goniometer
Speedalyzer to measure with rotation machinery e.g. wow&flutter
Measurement of directivity patterns with the Outline turntable
Plug-in Steinberg VST host to load effect plug-ins from other vendors
We offer a high resolution version of WinAudioMLS that supports 192kHz sample rate with 24 bits resolution.
The very first audio interface was introduced by Microsoft with Windows 3.11. This multimedia interface (MME) supports 2 channels with 16 bits resolution. Although it allows transferring audio with CD-quality it lacks of certain functions. The platform independent ASIO interface introduced by Steinberg solved several issues.
no limitations on sample rates. Currently, up to 192 kHz is used.
support for multi channel input and output
full duplex
synchronous input and output
high resolution up to 64 bits per sample
low latency
This interface is supported by most professional audio software like editors, synthesizers etc.
High quality soundcards have many features beyond the traditional 16 bit interface. The high resolution modes are mostly available via ASIO, only. Consequently, audio analyzers that support the old 16 bit interface only, limit the precision and resolution that are available by the hardware.
WinAudioMLS supports optionally the ASIO 2.0 interface to sample with up to 192kHz and 24 bits. In addition with ASIO the input and output is synchronous. WinAudioMLS can address multiple ASIO devices individually.

With an ADAT compatible soundcard you can monitor 8 channels. WinAudioMLS let you select 2 channels out of the available channels.
The device control button starts the ASIO control panel that is specific to your soundcard. The 24 bit edition of WinAudioMLS contains a special signal generator that is synchronous to the input. You cannot use the stand alone signal generator because only one program can get access to an ASIO soundcard.
Please note that you require a special dedicated ASIO driver, which is mostly shipped with your soundcard. Please contact your vendor for details.
For analysis with the 24 bit edition we strongly recommend the 64 bit FFT for higher accuracy.
The following example is a 24 bit measurement with the RME digi96/8 PAD PCI sound card. The input and output is connected with a digital link The input is a sine at full scale at 1kHz. We used the digital 1kHz notch filter to remove the 1kHz basic frequency. The picture shows the residual signal that can be used for THD+N calculation. The remaining signal level is -144dB which matches exactly to a signal with 24 bits resolution. This measurement clearly demonstrates the high dynamic of WinAudioMLS.

With the ASIO interface only one program has access to the interface. You cannot use the analyzer in ASIO mode and the signal generator on the same soundcard Therefore the ASIO plug-in includes an internal generator. You can start up to 10 independent generators to design even complex signals.

The following picture shows five active generators. You can easily deactivate each generator by muting them.

The output of each generator is summed. To avoid clipping you should decrease the volume of each generator. The following picture shows two generators with 440 and 100Hz at maximum level. You can easily see the distortion products, which make the base oscillations almost invisible.

If you lower the volume by at least 6 dB, you get the expected dual tone signal.

During sweep runs with the tracking generator, the ASIO generator is controlled automatically.
WinAudioMLS supports up to 64 channel via the ASIO interface or from multi channel .wav files. All channels are processed in real-time. All digital filters, averaging, windowing, weighting etc. can be applied to all channels.
Typical applications include:
multi channel recording studio analysis,
multi channel surround system analysis
multi channel noise, vibration and acceleration analysis
car audio competition (dB drag) to monitor several cars in parallel
audio supervision
and many more.
Below you find a screenshot with 16 active channels.

We offer packages with
4 channels
8 channels
16 channels
24 channels
64 channels
WinAudioMLS requires an ASIO interface for multi channel support. All professional audio devices offer the ASIO interface. Please contact your vendor for details.
You can freely assign the input channels to the display channel. Each channel has an individual scaling factor.

For each channel you can assign line color, width, style and marker.

You can use the multi channel option for the real-time analyzer (RTA) both with octave and 1/3 octave resolution.
Below you will find a screenshot with the octave RTA and 4 input channels.

Select in the ASIO menu the appropriate multi channel soundcard. Active the multi channel option to start multi channel processing.

We offer a special ASIO driver that works as a loopback device. That means all output is directly sent to the input. This driver is ideal for testing WinAudioMLS without any analog interference. You can compare it with a digital link between input and output.

The VST interface from Steinberg is a widely used plug-in interface for audio processing applications There a numerous plug-ins available either commercial or freeware. These includes many different filters or many other audio effects.
The interface is well documented and source code examples are available from many sources.
The VST host for WinAudioMLS allows including the large number of available VST-Plug-ins into the signal chain of WinAudioMLS.
There are several main applications:
First you can use your VST plug-ins directly in WinAudioMLS to increase the measurement capabilities. Furthermore you can easily create your own audio processing plug-ins.
Second you can use the powerful features of WinAudioMLS during development to analyze your own VST plug-ins which are intended for other applications.

Please note that WinAudioMLS supports effect VST plug-ins, only. Synthesizer plug-ins are not supported.
WinAudioMLS allows to load up to 10 plug-ins in parallel. You can use the internal effect editor of each plug-in, or you can use the text-based parameter of WinAudioMLS. This editor gives you additional information about internal parameter of the plug-in.
Use VST from the plug-ins menu to open the VST configuration dialog box. Here you can select the plug-in via “Browse”, enable it or open the parameter editor.

Each plug-in has a number of programs (presets). Typically each plug-in has a number of parameters. The following example plug-in has 8 programs and 10 parameters. Each parameter is shown with a name, if available. You can enter the parameter numerically or with the slider.

Most plug-ins offer a graphical editor for their parameters. But you can use both versions in parallel. The screenshot below shows the internal editor for the same plug-in.

Why 64 bits?
Most audio is recorded with 16 bits resolution. WinAudioMLS uses in the standard mode 32-bit floating point variables to store each sample. From a first look this headroom seems to be more than sufficient. Floating point variables have a dynamic range of more than 200dB which is far much more than any audio format.
But a 32-bit floating point number consists of a 24-bit mantissa and a 8-bit exponent. Each operation of two floating point numbers reduces the available resolution. For a 4096 points FFT there are 12 sequential stages of additions. For this FFT the noise introduced by 32 bits floating point operation exceeds the 16-bit quantization noise.
You can easily check this effect. If you analyze an ideal 16-bit sine file with a 1024 points FFT, you get a THD+N close to the theoretical value (97dB).
If you increase the FFT size, both the frequency resolution and the FFT noise increase. For a 8192 points FFT the maximum displayed THD+N is around 90dB.
If you measure in the area above 90dB THD+N for high precision test sets we recommend our 64-bits FFT. This FFT with double precision has a noise floor 144dB below the 32-bits FFT. The CPU load for this FFT is 30% higher. It allows you to measure very low noise even at high frequency resolutions. This plug-in can be easily activated or deactivated.
Below you will find some measurement examples demonstrating the advantages of the 64-bit FFT.
The input signal is a file with an ideal 1kHz sinus sampled with 16-bit.
It can be easily seen that the noise introduced by the 32-bit FFT at 8192 exceeds the quantization noise and therefore degrades the THD+N measurement by 6dB.
FFT 1024 points 32-bit THD+N 96dB

FFT 1024 points 64-bit THD+N 96dB

FFT 8182 points 32-bit THD+N 90dB

This measurement is disturbed by the FFT noise.
FFT 8192 points 64-bit THD+N 97dB

WinAudioMLS can control a turntable for automatic directivity measurements of loudspeakers, microphones or other noise sources. You can plot the signal level at different frequencies vs. the angle.
Currently the widely spread ET-2/ST-2 from Outline is supported.
It is connected to the parallel port of the PC. This unit has a resolution of 2.5° per step. Due to its solid structure it can load up to 100kg.

Basically you define a start and stop angle and a step size. The step size must be a multiple of 2.5°.

The measurement can be clockwise or counterclockwise.
WinAudioMLS sets the turntable to the desired angle, waits the specified settling time, performs a measurement, stores the result an continues with the next angle.
The Outline turntable measures its position relatively. The only reference point is 0°. After powering up the unit, there is no way to determine the absolute position, unless you set it to zero. Therefore we recommend to start a measurement always at 0°. This can be done by turning the turntable. You can shift the measurements with a constant offset. This means for example, that a measurement is performed physically from 0 to 90degree, but plotted from -45° to 45°.
During a sweep measurement, all channels (up to 64) are stored simultaneously.
The measurement results are stored in text file.
After finishing the measurement, the results are drawn for 1000Hz. The following example is a dual source radiator, that shows the typical diffraction pattern.

You can freely select the analysis frequency.

You can also plot overlays to draw curves from different distances or at different frequencies. Please refer to the overlay section for details.

You can freely define the plot area. In the following example we draw from –90° to 90°, only.

Requirements:
WinAudioMLS mind. PRO
Directivity Plugin
Turntable Outline ET-2/ST-2
Parallel port (USB emulators are not supported)
Windows 2000/XP/Vista with administrator rights
WinAudioMLS is widely used outside the audio range. The powerful measurement functions are applicable for generic analysis in the frequency range from DC to 250kHz.
In the area of noise and vibration analysis we emphasize the following plug-ins:
1/3 Octave analyzer and filterbank
Level monitor
Free filter
Speedalyzer to analyze rotating machines
Driver for the DS2200 und DS1M12 "Stingray" USB measurement cards from www.usb-instruments.com
Many applications especially in the range of noise and vibration analysis are not suitable for soundcards. Although some soundcards use high end converters, there are the following reasons to use industrial measurement cards instead:
Low frequency cut at 10-20 Hz.
Upper frequency limit is 100kHz.
No deterministic gain.
DC performance is very poor.
Frequency response of a typical soundcard (Audigy 2NX)

For audio applications this has no effect. In the range of noise and vibration analysis the focus is mostly on low frequency components.
Therefore we added support for the DS2200 und DS1M12 "Stingray" USB cards from www.usb-instruments.com.
Its small size makes it ideal for mobile measurements with a notebook. You can connect all kind of different sensors for sound, pressure, acceleration, magnetic etc.
All measurement features can be use in this extended frequency range.
The key features of this device are:
2 analog inputs
Analog bandwidths DC-250kHz
Sample rate 1Mhz
Internal 8192 samples memory
Easy connect to USB without external power supply
12 bit AD-converters
BNC converters
Built in calibrator
AC/DC coupling
Fixed/stepped gain. In contrast to soundcards you can measure absolute levels.

Example of a sine at 10Hz. The frequency resolution is 0.06Hz.

WinAudioMLS offers a wide range of measurement capabilities that make this measurement system ideal for production tests. In addition, WinAudioMLS includes special functions to optimize different levels of production tests.
We divide production test setups into the following groups depending on the level of user interaction
Full automatic tests with minimum user action. Test run is completely predefined. Measurement reports are automatically written.
Semi automatic test. Tester runs different test scripts
Manual test. Tester runs specialized measurement functions manually.
Debugging: Analysis of defective devices
WinAudioMLS covers all these groups.
We offer the following features for production test applications:
All standard audio quality parameters are supported (THD,THD+N etc.)
Large set of measurement functions
High dynamic tests (192kHz/24bit) available
Multi channel test up to 64 channels
Large pass/fail info
Parameter viewer with large digits to monitor parameters
Limits for certain parameters e.g. THD,THD+N, frequency response, sensitivity etc
Dynamic overlays
Automatic report (.html) generation
Long term testing
Logging of test results
Script interface to control WinAudioMLS from other applications
Fast test execution
Arbitrary filters to remove frequency ranges
Custom logo integration
Custom graphical user interface
For production tests applications we emphasize:
Reliable recognition of defective units
Fast test execution
Automatic logging of test results
Simplified custom designed user interface for less training effort
Below we explain some of the special features of WinAudioMLS. For details please refer to the user manual or contact us directly.
The ParamViewer shows different measurement results in separate windows. This feature is specially designed for technical labs and productions tests, where you have to recognize measurement results fast and easy. You can define a threshold for each parameter. This makes violations of user defined values easily visible.
The ParamViewer shows the value in an alphanumeric form and as a bar graph meter. Each ParamViewer has a rich set of configurations to fit to your needs. The windows are freely placable on the entire desktop and scalable.

You can select the following parameters:
THD
THD+N
Inband Level
Level
Peak Level
Peak Position/ Frequency
Channel Separation
WinAudioMLS can generate full automatic test reports. All measurements results are logged to a .html file for easily viewing with a web browser. These reports include tables, pictures serial numbers etc. Below you will see an example of such report.
We integrate such reports into WinAudioMLS exactly to your requirements.


WinAudioMLS can read limits from simple text files. Within these files you define limits for test parameters. Based on this WinAudioMLS generates pass/fail information.
The following parameters can be configured:
THD+N
THD
Frequency response with upper and lower limit
Sensitivity
Balance
Polarity
Other parameters are supported on request.
WinAudioMLS can display the test results in large colorful information boxes. This feature keeps the training effort low.


You can get detailed information, why a test failed.

WinAudioMLS can plot reference data as overlays, which are drawn together with the measurement data. Overlays can be generated from measurement data or imported from simple text files. The normal overlays are drawn at fixed positions.
The following plot shows the upper and lower limit for the frequency response and the live input.

Instead the dynamic overlays track the input at a free definable frequency.

The dynamic overlays follow the input level.

This feature is ideal for matching frequency response criteria with varying input levels.
You can configure individually for each overlay:
channel
reference frequency
offset
The calculation is done for each channel individually. You can display the same mask for both channels or use a separate set.

WinAudioMLS contains an optional script processor, which allows controlling the program from the command line. This feature is ideal for automated batch processing used e.g. for production testing. WinAudioMLS is controlled with the program WAremote.exe. This program sets different measurement modes and options, stores measurement results etc.
with e.g. “WAremote sine 1000” you can set the signal generator to a 1kHz sine output. You can easily integrate this interface to other applications e.g. visual basic.
Although WinAudioMLS is very flexible and supports a wide range of functionality, there are cases where you require special features or a different graphical user interface. From our experience it is the fastest and most cost effective solutions, if we apply these custom features into WinAudioMLS directly. You simply specify the report generation, measurement procedure or user interface and we integrate this exactly to your needs.
WinAudioMLS can write the incoming audio data simultaneously to a normal .wav file. This feature is ideal for documentation or storage for later analysis.
Usage:
Select Plug-ins->Audio recorder. You can enter or browse a file name. WinAudioMLS stores all incoming samples in the .wav file. If you restart the audio device, the file is also reset. If you select Plug-ins->Audio recorder again, WinAudioMLS stops recording and closes the file.
WinAudioMLS contains an optional script processor, which allows controlling the program from the command line. This feature is ideal for automated batch processing used e.g. for production testing. WinAudioMLS is controlled with the program WAremote.exe. This program sets different measurement modes and options, stores measurement results etc.
Usage:
WinAudioMLS and the Signal generator must be running. Execute WAremote.exe with the desired commands to control both measurement programs.
The syntax is as follows:
WAremote command pameter1 parameter2 parameter3 parameter4
|
command |
param1 |
param2 |
comment |
|
|
|
no parameter |
|
|
STOP |
|
|
stop |
|
START |
|
|
start |
|
BUFRESET |
|
|
reset all buffers |
|
|
|
|
|
|
MODEFFT |
|
|
FFT analyzer |
|
MODESCOPE |
|
|
Oscilloscope mode |
|
MODEMLS |
|
|
MLS measurement |
|
MODEMLS_PHASE |
|
|
phase response measurement |
|
MODEMLS_IMPULSE |
|
|
impulse response measurement |
|
MODEBAR |
|
|
bar graph display |
|
MODESPECTROGRAM |
|
|
spectrogram |
|
|
|
|
|
|
DUMP |
|
|
dump current measurement |
|
DUMP_RTM |
|
|
dump real-time measurements |
|
|
|
on or off |
|
|
YCAL |
on/off |
|
enable y axis calibration |
|
XLOG |
on/off |
|
x axis log display |
|
YLOG |
on/off |
|
y axis log display |
|
|
|
1 parameter |
|
|
FFTSIZE |
128...1048576 |
|
FFT block size |
|
MLSSIZE |
128...1048577 |
|
MLS block size |
|
SAMPLERATE |
<192000 |
|
sample rate in Hz |
|
WINDOW |
0..3 |
|
0=rectangular;1=Hamming; |
|
WEIGHTING |
0..2 |
|
0=none;1=A;2=C |
|
AVERAGE |
>0 |
|
number of averages |
|
YCAL_OFFSET |
value |
|
y calibration offset |
|
SAMPLEMODE |
0..3 |
|
0=mono;1=left |
|
|
|
2 parameter |
|
|
XRANGE |
x minimum |
x maximum |
Display range |
|
YRANGE |
y minimum |
y maximum |
Display range |
|
|
|
signal generator |
|
|
SINE |
frequency |
|
sine signal |
|
RECTANGULAR |
frequency |
|
rectangular signal |
|
TRIANGGULAR |
frequency |
|
triangular signal |
|
WNOISE |
|
|
white noise |
|
PNOISE |
|
|
pink noise |
|
MLS |
mlssize |
|
MLS signal |
|
LEVEL |
level |
|
output level |
|
BALANCE |
balance |
|
output balance |
With this plug-in you can easily do frequency sweeps. Applications are e.g. analysis of THD+N vs. frequency. WinAudioMLS controls the signal generator and measures the following parameters:
peak level and frequency
total level
THD+N
THD
level of each harmonic individual (optional)
WinAudioMLS sets the generator to the desired frequencies. WinAudioMLS switches the generator phase synchronous. With this feature no clicks occur and the settling time can be reduced.
WinAudioMLS waits a user definable time (settling time), stores the measurement results and steps to the next frequency. You can enter the start and stop frequency, the number of steps and the time for each step. The stop frequency can be smaller than the start frequency to create a negative sweep.

Please make sure that your step time is not too low. Your DUT must be settled and WinAudioMLS must be able to perform its measurements within this time.
The measurement results are stored to a file.
The following file is an example of such an frequency sweep.
Frequency sweep by www.dr-jordan-design.de
Sample rate=44100; FFT length=1024
Average=1
Window type=Blackman; Weighting=none
Sweep time per step=700.0ms
DC filter off
|
track_freq. |
peak [dB] |
FFT_freq. |
level[dB] |
THDN[dB] |
THD[dB] |
|
1000.00 |
-39.63 |
990.5 |
-36.95 |
-18.59 |
-12.45 |
|
2000.00 |
-33.17 |
1981.0 |
-29.91 |
-20.41 |
.19.34 |
|
3000.00 |
-33.10 |
3014.6 |
-30.19 |
-22.34 |
-20.34 |
|
4000.00 |
-37.88 |
4005.1 |
-35.12 |
-11.34 |
-10.45 |
|
5000.00 |
-49.10 |
4995.7 |
-45.42 |
-15.94 |
-15.02 |
|
6000.00 |
-33.05 |
5995.0 |
-32.61 |
-12.03 |
-11.34 |
|
7000.00 |
-42.36 |
7019.8 |
-38.21 |
-17.65 |
-15.32 |
|
8000.00 |
-51.17 |
8010.3 |
-47.06 |
-16.97 |
-16.34 |
|
9000.00 |
-64.19 |
9000.8 |
-51.16 |
-19.43 |
-17.66 |
|
10000.00 |
-64.87 |
10192.3 |
-53.87 |
-22.99 |
-20.56 |
The data can be imported by e.g. Excel for further analysis.
Note: If you activate THD-marker, the level of each harmonic is stored into the file.
After the sweep has been completed, you directly get a plot with level vs. frequency.

At Plug-Ins->plot results you can plot the other results.

This plug-in is similar to the frequency sweep plug-in. Here you can define a level range, the number of steps and the step time. This sweep is useful to measure e.g. the dependency of the THD from the level of non-linear devices. The measurement data is written to a file.
Please note that the level control works on the digital generator signal. Every decrease of the level decreases the dynamic. If you use low levels, the noise and distortion are mostly caused by the generator itself. For precision measurements, we recommend a 24-bit soundcard together with the 24-bit version of our signal generator.


Sine tracking measurements are very precise but they are time consuming. To reduce the settling time you can dynamically change the FFT size and settling time. For low frequencies you will need a larger FFT to get sufficient frequency resolution. But for higher frequencies a smaller FFT is sufficient. You can do a frequency sweep from 35Hz to 12kHz with 55points in 12s only. This feature is part of the production test module. We strongly recommend to use the ASIO module since it reduces the latency of the audio subsystem significantly.
This plug-in is useful for doing long-term measurements or automatic (script based) measurements. Applications are e.g. SPL measurements over a longer period at traffic roads or concerts etc.
At an user definable time WinAudioMLS writes all real-time measurements to a file. This file is purely text based, so it can be imported to any other program easily. Here is one example log in conjunction with the octave filter RTA. Every 6s the measurement of the 5 bands are written to the file.
Datalogger by www.dr-jordan-design.de
Monday, May 05, 2003 05/05/03 21:31:08
Samplerate=44100; FFT length=8192
Average=1
Window type=Hamming; Weighting=A
Measurement intervall=6000.0ms
DC filter off
time [ms] 125Hz[dB] 250Hz[dB] 500Hz 1000Hz[dB] 2000Hz[dB]
0 -115.099760 -107.835270 -98.826216 -94.191654 -88.959205
6000 -116.058918 -104.608148 -100.113856 -93.172547 -89.863543
12000 -117.414457 -105.789510 -99.294858 -92.773128 -88.587595
18000 -119.827119 -106.335330 -99.618507 -93.448226 -89.609629
24000 -116.577741 -104.463160 -99.118663 -94.226680 -88.914247
RIAA equalization is a specification for the correct playback of vinyl records, established by the Recording Industry Association of America. The purpose of the equalization is to permit greater playback times, improve sound quality, and to limit the physical extremes that would otherwise arise from recording analogue records without such equalization. The RIAA equalization curve has operated as a de facto global industry standard for the recording and playback of vinyl records since 1954.
RIAA equalization is a form of pre-emphasis on recording, and de-emphasis on playback. A record is cut with the low frequencies reduced and the high frequencies boosted, and on playback the opposite occurs. The result is a flat frequency response, but with noise such as hiss and clicks arising from the surface of the medium itself much attenuated. The other main benefit of the system is that low frequencies, which would otherwise cause the cutter to make large excursions when cutting a groove, are much reduced, so grooves are smaller and more can be fitted in a given surface area, yielding longer playback times. This also has the benefit of eliminating physical stresses on the playback stylus which might otherwise be hard to cope with, or cause unpleasant distortion.
The only drawback of the system is that rumble from the playback turntable's drive mechanism is greatly amplified, which means that players have to be carefully designed to avoid this.
RIAA equalization is not a simple low-pass filter. It carefully defines roll-off points in three places - 75ms, 318 ms and 3180ms, which correspond to 2122 Hz, 500 Hz and 50 Hz (the last being a high-pass to combat rumble). In addition there is a forth time constant with 3.18µs (50kHz).
WinAudioMLS implements the RIAA and inverse RIAA curves as a digital filter. These filters can be applied to the analyzer and the signal generator. With the ability of WinAudioMLS to process .wav files you can perform RIAA pre-amplifier tests with real music signals.
The following picture shows the RIAA and inverse RIAA curve.

The following plot shows a real measurement of the filter with the reference curve. Since the RIAA curve uses a high-cut filter at 50kHz, we have to use a high sample rate to get an exact match. The plot below uses 192kHz. The deviation in the range of 10 to 55kHz is below 0.02dB. Between 10 and 20kHz it is below 0.015dB. Between 10 and 15kHz it is below 0.005dB.


At lower sample rates the deviation is larger. The next plot uses 44100Hz

With a sample rate of 96kHz, there is a better match. The deviation is below 0.03dB in the range of 10 to 30kHz.

This filter removes frequencies at 1kHz. It is used for distortion and noise analysis.

The following two measurments show a digital 24-bit connection between the input and output of a soundcard. We use a sine at 1kHz and a resolution of 24 bits
If you anaylse the signal directly, it is limited by leakage from the windowing function. In the second measurement, we activated the 1kHz notch filter wich removes the base frequency.


WinAudioMLS has an optional filter bank with 1/3 octave and octave resolution. You can switch between a band pass and a stop filter.
The center frequencies with 1/3 octave resolution are as follows:
|
10 |
12.5 |
16 |
20 |
25 |
31.5 |
40 |
50 |
63 |
80 |
|
100 |
125 |
160 |
200 |
250 |
315 |
400 |
500 |
630 |
800 |
|
1000 |
1250 |
1600 |
2000 |
2500 |
3150 |
4000 |
5000 |
6300 |
8000 |
|
10000 |
12500 |
16000 |
20000 |
25000 |
31500 |
40000 |
50000 |
63000 |
80000 |
The center frequencies with octave resolution are as follows:
|
63 |
125 |
250 |
500 |
1000 |
2000 |
4000 |
8000 |
The following plot shows the 1/3 octave filter responses in the range of 100 to 1kHz.


This flexible digital filter allows filtering the input signal of the analyzer. In addition you can also integrate this filter to the signal generator. You can freely define both the low and high cut frequency. With the ability of the signal generator to play .wav files you can also filter these .wav files while playback.
Filter characteristics:
Butterworth
Chebychev
Elliptic
Filter types
low pass
high pass
band pass
band stop
The filter can be cascaded to get more steep filters
Configuration dialog box

Example measurement with white noise as the input and the settings from above.

This plug-in is a very versatile tool to monitor frequency deviations. It is applicable for all kind of rotating machines, in particular tape recorders or turntables. The Speedalyzer can monitor low speed variations (wow) of fast variations which are know as flutter. You can monitor the variation in the time domain as in the frequency domain. The Speedalyzer shows constant speed variations (mean), peak and RMS. You can enter an individual time constant for each display.
For the special case of tape machines, you can activate special weighting filters according to IEC60386/ CCIR 408. The widely used measurement frequencies of 3000Hz und 3150Hz are supported.
The analysis can be performed on live audio input or from .wav files.

The Speedalyzer contains a mixer, which shifts the input signal into the equivalent baseband representation. The center frequency is freely adjustable, depending on the package you ordered. An adjustable low-pass filter removes noise and aliasing mirror signals. You can adjust the cut-off frequencies within a 1/3 octave grid. The core component is a FM-demodulator. You can monitor the output signal in the time domain or with the FFT in the frequency domain. The Speedalyzer computes all three measurement values (mean, peak, RMS) from the time domain signal.

You can weight the signal with a special filter according to IEC60386 which is widely used for tape machine analysis.
It has an attenuation of 0dB at 4Hz. It suppresses constant speed differences (DC component) and shows speed fluctuations, only. The picture below shows the frequency plot of such filter.

If you activate the Speedalyzer you will see a measurement window in addition to the signal itself. This measurement window contains:
Mean: Constant deviation from the center frequency
RMS: Root mean square
Peak: Maximum deviation
The display contains the relative values with respect to the center frequency and the absolute value in Hz. For each value you can enter a integration time constant for smoothing. A larger value suppresses fluctuations and reaches a higher precision, but requires a larger measurement time. The default value is 2s
If you enter a center frequency of 0Hz, the Speedalyzer converts to a pure digital FM-demodulator with adjustable bandwidths.
The Speedalyzer can measure frequency deviations with high precision. With an integration time of 2s the precision reaches already 1/100Hz. With 5s you reach typical 4/1000Hz. In this range the error is already dominated by quartz precision. A typical quartz used in Soundcard reaches 20ppm. At 44.1kHz sample rate, the error caused by the quartz is 0.8Hz. The precision of the Speedalyzer software is higher by two magnitudes.
With a pure FFT analysis this value is difficult to reach, because you will have to use extremely high FFT block sizes.
We offer the Speedalyzer in two packages with different feature set. The first (Speedalyzer light) is focused on tape machine measurements. It is limited to 3 and 3.15kHz sample rate. The second version is not limited and is used for generic purposes.
For measurements with tape machines you will need a reference tape with 30 or 3.15kHz pilot tone.
Connect the output of the tape machine with the input of your soundcard. When you active the Speedalyzer module, it will show the measurement results immediately.
If you do not own a reference tape, you can help with a recording from a known intact machine. In this case you will measure the error of both machines. In no case you should use the tape monitor, because in this case only a few parts of the tape mechanic are measured.
The following measurement shows the analysis of a studio tape machine in the frequency domain. We use a large FFT size (64k) to reach sufficient frequency resolution.

The following measurement shows the same signal in the time domain. The y-axis shows the relative frequency deviation.

We offer a free tool, that can generate arbitrary wow&flutter signals. You can enter the following parameters to the dialog box. The output is .wav file that can be played with any multimedia player. Of course you can also analyze this file with WinAudioMLS.

The settings above generate a .wav file named „test.wav“ with a length of 3 seconds. The modulation signal is a pure sine with 4Hz modulation frequency. The center frequency is 3150Hz. The peak level wow&flutter is 1%.
This tool is ideal for training and calibration purposes.
The Vectorscope also known as a Goniometer is a powerful and widely used tool for monitoring stereo signals. Originally it came from traditional analog oscilloscope. The first channel is send to the x-input the other channel is send to the y-axis input.
With little training this display gives a fast overview of a stereo signal and the phase relation between the channels. The picture below shows a typical example for music.

Features
Dot or line display
Persistent display with fading effect
Adjustable decay time
Free rotation
Free size of display
The display is optimized for fast attack times combined with a maximum of information. Instead of single pixels you can activate lines with a special persistent view. In contrast to analog oscilloscope you can even adjust the persistent time. We use a special exponential decay profile.
You can rotate the display by +45 or -45 degrees or with an arbitrary angle. With these optional rotations, mono signal are on the main axis.

With the multi channel features of WinAudioMLS you can monitor up to 32 stereo pairs simultaneously. You can combine it freely with normal spectral displays.

With the channel matrix you can assign all available channels to each vector display.
The Vectorscope display is freely scalable.
This dialog box shows the configuration for the Vectorscope.

For several signal scenarios you get typical Vectorscope displays. All example displays were generated with no rotation.
For a zero signal you get a single dot in the middle of the display.

If the first channel is zero, all display dots are on the y-axis.

If the second channel is zero, all display dots are on the x-axis.

If both channels are identical, the signal dots are on the diagonal line.

If the level differs between both channels, the signal dots are on a single line with a different angle. The following example has level difference of 3dB between both channels.

If both channels have a phase difference of 180 degree, you get the following plot.

With sine signals as input you can view the famous Lissajous figures. If the phase shift is exactly 90 degrees, you get a circle. This figure is very sensitive to frequency or phase variations between both channels. Such figures are widely used for e.g. azimuth adjustment of tape recorders.

WinAudioMLS contains a powerful visualization module for 3D plots. You can easily watch e.g. spectrum over time. Just press the 3D button in the toolbar to activate the 3D plot.

The 3D window is active simultaneously to the normal 2D plot.
You select the zoom area in the normal 2D plot. The 3D plot follows your modifications immediately.
The 3D plot has several control that allows to e.g. rotate the plot in real-time.
You can move and rotate to all axes. The 3D plot is fully resizable. The spacebar switches to full screen.
WinAudioMLS supports various rendering modes.
Color or grayscale color maps
Grid lines individually for x and y-axis
Shading and lighting modes

3D plot with black and white rendering

3D plot with x grid lines only

You can copy the 3D plots to your documentation with the print screen feature of Windows.
The 3D visualization module requires DirectX8.1 and requires hardware 3D acceleration for full performance.
WinAudioMLS can display the markers in the 3D plot. The list of markers can be defined in the display options. They will be displayed in the 2D and 3D plot. In the 3D plot the marker will be displayed as an semi transparent rectangle. Please note that this feature requires hardware alpha blending on your graphic card.

|
|
|
|
|
|
|
|
|
|
|
|
|
|
|
|
|
|
|
|
|
|
|
|
|
|
|
|
|
|
|
|
|
|
|
|
|
|
|
WinAudioMLS offers many options to measure noise within buildings. With WinAudioMLS you can measure the performance of attenuation elements or noise absorbers. The most important tool is the spectrum analyzer, which can be weighted with the 'A' or 'C' curve. With the dual channel functionality of the PRO EX version you can use different weighting factors for two microphones. Typical application is one microphone in the middle of the room and one in the corner. WinAudioMLS can be calibrated to measure absolute levels.
For special applications we offer a module that is basically an octave analyzer according to DIN10052. The center frequencies are standardized 63,125,250,500,1000,2000,4000 and 8000Hz. Each band owns a peak memory. The average time is adjustable from fractions of seconds to hours.

The data logger module allows long-term measurements within buildings. The measurements are written to a text based file.
Datalogger by www.dr-jordan-design.de
Monday, May 05, 2003 05/05/03 21:31:08
Samplerate=44100; FFT length=8192
Average=1
Window type=Hamming; Weighting=A
Measurement intervall=6000.0ms
DC filter off
|
time [ms] |
125Hz |
250Hz |
500Hz |
1000Hz |
2000Hz |
|
0 |
-115.09 |
-107.83 |
-98.82 |
-94.19 |
-88.95 |
|
6000 |
-116.05 |
-104.60 |
-100.11 |
-93.17 |
-89.86 |
|
12000 |
-117.41 |
-105.78 |
-99.29 |
-92.77 |
-88.58 |
|
18000 |
-119.82 |
-106.33 |
-99.61 |
-93.44 |
-89.60 |
|
24000 |
-116.57 |
-104.46 |
-99.11 |
-94.22 |
-88.91 |
The following plot shows an octave log, drawn with Microsoft Excel.

If you require a higher resolution we offer a 1/1 up to 1/32 octave analyzer. Each bar contains its value in a numeric form to read the values fast and precisely. Together with the data logger module you can perform long-term measurements with the higher resolution.

You can display multiple channels either in one window or in multiple windows.


WinAudioMLS supports any resolution between 1/1 and 1/32 octave resolution.
Select the resolution from the dialog box.


The level display for each bar is shown if there is sufficient space to display the text. In this example we zoom from 100 to 1000Hz.

Sound can be described with various physical parameters e.g. intensity, pressure or energy. These parameters are very limited to describe the perception of the human ear. A first approach is to take into account that the ear is less sensitive at lower and higher frequencies. The research work around 1920 from Barkhausen result into the well known A,B,C weighting curves. The frequency response of the ear depends on the level, that is the reason for different curves, which are valid for a certain level only. A pure sine at lower levels e.g. 40dB(A) has the same subjective loudness over the complete frequency range. But in practice sine tones are not very common. For complex sounds and noise this simple model is not valid anymore.
In most sound pressure meters available today you will find the techniques, because they are easily to derive from the physical parameters.
A wideband noise has a different subjective loudness than a pure tone at the same level measured in dB(A).Therefore dB(A) is very limited in its usage although widely used. Zwicker analyzed various psychoacoustics effects thoroughly. A result was a model for the human hearing. A famous psychoacoustics effect is acoustical masking. A loud tone hides quite tones. Nobody would expect to hear the sound of a mouse during a symphonic orchestra, although the mouse would audible in quite phases. A very famous application of this and other effects are audio compression techniques like MP3. Only parts of the signal, which are audible according to a model, are stored.
Based on its countless hearing tests, Zwicker developed a model for loudness measured in sone. For stationary signals you will achieve much better results than the traditional dB(A). In contrast to dB(A) sone is a linear parameter. 2 sone has double loudness compared to 1 sone. The reference level is 1 sone, which is equivalent to a tone with 1kHz at a level of 40dB.
As mentioned previously, sone is valid for stationary signals only. It is ideally in the judgment of air conditioners or typical PC noise like hard disks of fans.
This measurement describes the subjective loudness. But it does not allow distinguishing between nice or annoying tones. Most people will agree that the sound of a flute is much nicer than a drill used by dentist although they both might have the same loudness.
The measurement of the loudness is based on the 1/3 octave analyzer. You will require both the loudness plug-in (#3010) and the 1/3-octave module (#3004). In addition you have to calibrate the system. All psycho acoustic analysis require absolute sound levels. This can be achieved with a sound calibrator or a sound pressure meter.
|
Situation |
Sound
pressure p |
Sound
pressure Lp |
Loudness |
|
Pain threshold |
100 Pa |
134 dB |
~ 676 sone |
|
Hearing
damage
|
20 Pa |
>120 dB |
~ 250 sone |
|
Jet
engine |
6,3 - 200 Pa |
110 - 140 dB |
~ 125 - 1024 sone |
|
Pneumatic
hammer, |
2 Pa |
~ 100 dB |
~ 60 sone |
|
Hearing
damage |
0,63 Pa |
>90 dB |
~ 32 sone |
|
Main road at 10m |
0,2 - 0,63 Pa |
80 - 90 dB |
~ 16 - 32 sone |
|
Car at 10m |
0,02 - 0,2 Pa |
60 - 80 dB |
~ 4 - 16 sone |
|
TV
at 1m |
0,02 Pa |
~ 60 dB |
~ 4 sone |
|
Normal
conversation |
2 · 10-3 - 6,3 · 10-3 Pa |
40 - 50 dB |
~ 1 - 2 sone |
|
Quite room |
2 · 10-4 - 6,3 · 10-4 Pa |
20 - 30 dB |
~ 0,15 - 0,4 sone |
|
Silent breathing |
6,3 · 10-5 Pa |
10 dB |
~ 0,02 sone |
|
Hearing
threshold |
2 · 10-5 Pa |
0 dB |
0 sone |
Start the sone measurement
Weighting should be switched off
Calibrate the display to measure absolute levels.
The loudness results will be displayed in real-time.

Many sone measurements include analysis of low noise devices (e.g. beamer, notebooks etc.). The normal measurement distance is 1m. You can only perform a reliable measurement if the signal level is above the noise. The noise includes acoustic noise from the environment and noise in the measurement chain from the microphone or preamplifier. In a normal office environment at a quite noise level of 45dBA it is impossible to analyze a fan with 25dBA. Since the human ear is very sensitive, such measurements require high quality measurement equipment.
For every measurement, we strongly recommend to measure the quite noise first. Simply switch off the measurement device. The optimum measurement environment is a special anechoic chamber, which reduces reflections and noise from outside. We strongly recommend switching off noise sources if possible (windows, air-condition, computers etc.)
Many measurement microphones have a sensitivity of 30dB, which defines the lower bound for measurements. You can improve the measurement sensitivity by reducing the measurement distance from 1m to e.g. 25cm. This increases the signal level by 12dB. This offset can be corrected with a different calibration factor, which allows WinAudioMLS to show the measurements results with respect to 1m.
We will explain this with an example.
By reducing the distance to the half the level increases by 6dB. With a distance of 25cm the correction factor is 12dB. If you use a sound level calibrator with 94dB, the reference level has to set to 82dB. A sound level of 82dB will be displayed as 94dB. This approximation is only valid in the far-field with spherical radiation. In the near-field you will encounter e.g. diffraction, which has significant influence on the signal level. Therefore, we strongly recommend documenting this different measurement distance clearly, because it is difficult to compare different measurement distances.
The reverberation time is one of the most important parameters in room acoustics. This parameter indicates the time after the acoustic energy inside a room is below a certain threshold after switching off the sound source. RT60 is widely used, which is defined to be the time after the acoustic energy is below –60dB.
The sound wave starts form its sound source and moves in all directions. A measurement device will notice first the direct sound.

Once it reaches a wall, the wave is reflected changing its level, phase and direction.

If a sound wave reaches a surface, some part will be reflected according to the law of refraction. Other part will be relfected in a diffuse manner. Other part will be exciting the surface itself (structure-borne sound). Other part crosses the obstacle and will be radiated on the other side. Some part will generate heat. Therefore the total sound level decreases.
The number of reflecting components increase with the time, while their level decrease. Finally, we reach a diffuse sound field, where the sound arrives virtually from any direction.

The level decreases exponentially and will be linear in a logarithmic display. The reverberation time is the decay constant.

Reflections within 50ms from the main sound wave are not recognized as echoes by the human ear. Instead they improve they increase the overall listening quality.
Echoes are noticed after 100ms for single clicks or more than 1s for music.
If you have a typical diffuse reverberation, the level decays linearly in a logarithmic display. Therefore it is easy to determine the decay constant. According to DIN/IEC3382 RT60 is the time, until the level decreases by 60dB.

In typical rooms we have a noise floor (air conditions, PCs, traffic etc.) from 30 dB to more than 60dB. Therefore we would need very high levels (100dB to 130dB) to measure the decay down to –60dB.

In most cases the decay is measured to a lower value –significantly above the noise level- e.g. –32dB and then extrapolated to –60dB.
The distance from a sound source at which the reverberant sound is equal to the direct sound. A very reverberant room has a short critical distance while an acoustically dead room can have a much longer critical distance. Outside rooms with free-field propagation, you will have an infinite critical distance.
For many rooms, the reverberation time T can be estimated by the famous equation from Sabine:
![]()
V is the volume of the room and A is the effective absorbing area.
This equation is valid only, if the absorbing area is small with respect to the total area S. This can be seen from a small example. Let us assume, the walls are absorbing perfectly. This would lead to a reverberation time of 0, because there are no reflecting areas. In this case, the equation from Sabine Sabine’scomputes a finite reverberation time, which is wrong.
Rooms have different requirements for their reverberation characteristics. A classroom should be optimized for maximum speech intelligibility with a short reverberation time, while concert halls for classical music have a much longer reverberation time to improve the overall impression of music.
|
Recording rooms, studios |
0.3s |
|
Classrooms |
0.6s-0.8s |
|
Office rooms |
0.35s-0.55s |
|
Concert halls |
~1s-3s |
Below you will find an example impulse response, which was measured from a small concert hall.

With such linear display, we can monitor this impulse response up to 600ms. Therefore it is more useful to use a logarithmic display, which is called Energy Time Curve (ETC). We can clearly see the linear decay for the diffuse part.

The most important plot is the Schröder plot (Energy Decay Curve, EDC), which is the basis for reverberation calculation. In this example, we selected a range from –5dB to –45dB as a basis for calculation of RT60. For this example, we get a wide-band reverberation time RT60 of 1.3s.

WinAudioMLS plus reverberation plug-in
Signalgenerator (PRO)
Measurement microphone and pre-amplifier
(Omnidirectional)-Loudspeaker with amplifier
Tripod for the microphone
Optional 1/3 octave filterbank plug-in
Optional sound level calibrator
For measurements of the reverberation time, a sound level calibrator is not required. But this unit with its reference level helps to identify and document e.g. noise sources. In addition, you can verify the measurement chain with one step.
Easy measurement with a wizard
Measurements results can be stored in an automatic report
Broadband calculation of reverberation time
Optional 1/1 and 1/3 octave resolution
Room impulse response measurement with MLS and LOG-Sweep (Chirp)
Export and import of room impulse responses via .wav files
Plot of energy decay curve (Schroeder plot)
Configurable to measure RT60, RT30, EDT (Early Decay Time) and others
Selection of average range directly at the Schroeder plot using mouse
There are four methods to measure the reverberation time:
Excitation with impulsive signals: shots, explosives, hand claps etc.
Excitation with noise and shut down
Excitation with pseudo-noise sequences MLS
Excitation with pseudo-noise sequences Log-Chirps
In section 27.10 we compare these measurements.
You can measure the room impulse directly with an excitation using a short impulse e.g. a shot. WinAudioMLS uses a more sophisticated approach. It uses MLS or Log-Chirps to calculate the room impulse response using cross-correlation. This approach is immune against noise and requires less signal level. Therefore, you can use smaller loudspeakers or amplifiers, which makes it ideal for mobile measurements.
From the room impulse response WinAudioMLS calculates the energy decay curve. This curve is the basis for the reverberation time.
Under normal condition, the signal level for a decay of 60dB (RT60) is too low to be distinguished from the noise. Therefore the slope is calculated from the initial decay and the decay to e.g. –60dB is extrapolated. You can freely define the part of the Schroeder plot for reverberation time calculation e.g. –10dB to –25dB. You can easily modify the parameters for RT30, EDT or others. With its filterbank you can display the reverberation time with 1/1 and 1/3 octave resolution.
Alternatively, you can calculate the reverberation time from an imported impulse response (via .wav) file.
Connect the amplifier and loudspeaker to the output of the soundcard.
Microphone and optional pre-amplifier must be connected to the input.


WinAudioMLS contains a rich set of features and parameters to configure a measurement. To simplify this process, we integrated wizards that use typical settings to get quick results.
There are three methods to measure the reverberation time:
Full automatic guided measurement
Pre-configured wizards
Manual setup
As a starting point, we strongly recommend to use the guided measurement procedure. Simply choose “Reverberation” from the “Easy Measurements” menu and follow the instructions. This guided system will assist you to measure all room characteristics and create an comprehensive report. You will find an example report in section 13.1.
Experienced uses can override these default settings.
Connect all equipment
Start the signal generator using its default settings. You should here a sine with 1kHz. Please note that too high levels can easily destroy your valuable equipment.
Start the analyzer (WinAudioMLS). You should see the base frequency with a similar plot like the following

These steps are used to verify your setup. You can omit these and use the wizard directly.
Start
the reverberation wizard.
This wizard configures both the
analyzer and generator for a typical setting which is suitable for
many rooms. You will hear a signal, which is similar to noise. The
analyzer will show the energy decay curve and the broadband
reverberation time. The measurement is correct if you see a linear
decay.
The following picture shows the room impulse response of a small concert hall.

You can also view the frequency response.

WinAudioMLS calculates the energy decay plot from the impulse response. You can clearly see the linear decay. For this example the reverberation time is 600ms.

You can also plot the reverberation time with 1/1 octave or 1/3 octave resolution.

For further analysis or documentation you can view and export the measurement results (view->Show results)

You can configure the calculation of reverberation time in a flexible way. The following picture shows the dialog box with default settings.

You can freely select the part of the slope for calculation with a start and stop level. In addition you can define the number of values, which will be used for averaging (linear regression). WinAudioMLS can calculate the target value for RT60, RT30 or any other value. In this example we average 10 values from the range of –8dB to –25dB to calculate the reverberation time to –60dB. Please note, that you can select the range of the slope graphically with the mouse directly at the decay curve.
You can define the area for averaging directly with the mouse. With this feature you can interactively analyze the change of reverberation time in different areas of the curve.
With a double click on the graphic area you can create a measurement rectangle. This rectangle defines the start and stop level. You can move or resize it with the mouse. WinAudioMLS automatically updates the reverberation time.
The following example shows a selection between –10dB and –40dB.

The rectangle defines the start and stop level. These values are transferred to the configuration dialog box.

For automatic adjustment of the signal generator you will need the PRO version.
A graphical plot of the reverberation time with 1/3 octave resolution requires the filterbank plug-in.
Did you connect the loudspeaker, amplifiers, microphones correctly?
Are the mixer settings of your soundcard correct?
No component of the signal chain shall be overloaded.
Change the position of loudspeaker and microphone. The measurement works only for diffuse reflections. The microphone should be placed centered in the room, with a sufficient distance from significant reflectors.
Omni directional loudspeakers are recommended
Omni directional microphones are recommended
MLS und FFT length must be larger than the expected impulse response duration.
WinAudioMLS can perform objective speech intelligibility measurements an addition to the room analysis module (energy decay curve and reverberation time). WinAudioMLS calculates the speech transmission index (STI) and (room analysis speech transmission index) RASTI according to IEC 60268-16.
The calculation is based on a measured impulse response. WinAudioMLS calculates the modulation transfer function (MTF) with 7 octave filters (125Hz 250Hz 500Hz 1000Hz 2000HZ 4000Hz 8000Hz). The MTF is evaluated at certain modulation frequencies 0.6Hz..12Hz.
For each octave band 14 modulation frequencies are used. These values are averaged and weighted to compute the final STI value. The STI ranges between 0 (poor) and 1 (excellent).
RASTI is a simplified version of STI. It uses only 2 bands (500Hz and 2000Hz).
WinAudioMLS displays the MTF for all bands at the specified modulation frequencies in a table.
This table can be written to a text file for storage or further analysis.

WinAudioMLS
can use the impulse response measured with its internal MLS module
for STI analysis. In addition, you can also load an external impulse
response from a simple text file.
The complete STI calculation is lightning fast, it takes less than a second for all bands.
On the product
CD you will find some sample impulse responses:
|
sti_ideal.txt |
single impulse, no noise , ideal transmission STI=1.0 |
|
sti_SNR0dB.txt |
single impulse, SNR=0dB STI=0.5 |
|
sti_noise.txt |
noise only STI=0.0; |
WinAudioMLS has an interface to allow programmers to use their own input routines.
Applications are:
Special sampling hardware that do not have an audio driver. Usually, measurement cards belong to this group.
Connect WinAudioMLS to other programs that require the powerful analyzing capabilities of WinAudioMLS.
We offer a software development kit (SDK) for free, that allows programmers to build the special dynamic link library. The SDK contains a simple example (Visual C++ 6.0 project) that contains a signal generator with a dialog box. The project uses intensively multithreading and callback mechanisms.
Measurements with a microphone require a pre-amplifier to increase the small signals.
Today most of the soundcards available on the market have such pre-amplifiers. From our experience these amplifiers allow simple measurements, only.
Typically, the input is just mono. Especially noise and frequency response have poor performance. If you intend to perform measurements with professional microphones, you will need in most cases an external pre-amplifiers.
These devices offer:
low noise
adjustable gain
symmetrical inputs
linear frequency response
phantom power.
We can recommend small mixing consoles, which are very useful not only for measurements with microphones. Because of its small size it allows mobile measurements. Please note, that it may require mains power. There are other devices (pure pre-amplifiers) that are battery powered and deliver phantom power.
There are many ways to explain the famous sampling theorem. It’s main statement claims, that you have to sample an analog signal with at least double the maximum input frequency. If this condition is fulfilled, the analog signal can be completely reconstructed from the digital samples. This is not easy to see, because for e.g. a 18kHz sine sampled at 44100Hz does not look like a sine. You can easily watch such signals with the signal generator and the oscilloscope function of WinAudioMLS Although it is a pure sine, it looks distorted. The clean sine can be reconstructed clearly without ambiguity. This non-ambiguity gets lost, if the sampling theorem is not fulfilled. A digitized sine with 36kHz is identical to a sine with 18kHz both sampled at 44100Hz.
An ideal analog to digital converter digitizes an analog signal with a well defined number of steps. A widely used 16-Bit converter uses 65536 steps. The following approximation assumes that the input to the A/D-converter is a sine at full span. The THD+N is given with the following formula.
THD+N=1.77+6.02*Bits
|
Bits |
8 |
14 |
16 |
18 |
20 |
24 |
|
THD+N [dB] |
49.93 |
86.05 |
98.09 |
110.13 |
122.17 |
146.25 |
The table shows the maximum values for THD+N, which are not reached by real converters.
The following comparison chart summarizes the feature of the different versions.
|
Feature |
Light |
PRO |
PRO EX |
LAB |
|
Sample rate |
fixed to 44.1kHz |
up to96kHz |
up to 96kHz |
up to192kHz |
|
Max FFT size |
2048 |
1million |
1million |
1million |
|
Channels |
1 |
1 |
2 |
2 |
|
Calibration |
yes |
yes |
yes |
yes |
|
Compensation |
no |
yes |
yes |
yes |
|
THD+N |
no |
yes |
yes |
yes |
|
THD with marker |
no |
no |
yes |
yes |
|
Intermodulation |
no |
no |
yes |
yes |
|
Impedance measurement |
no |
no |
yes |
yes |
|
Measure
freq. resp. |
no |
no |
yes |
yes |
|
Cross correlation |
no |
no |
yes |
yes |
|
FFT measurement |
yes |
yes |
yes |
yes |
|
MLS measurement |
yes |
yes |
yes |
yes |
|
Chirp measurement |
no |
no |
no |
yes |
|
Spectrogram display |
no |
no |
yes |
yes |
|
Bar graph display |
yes |
yes |
yes |
yes |
|
Oscilloscope |
no |
yes |
yes |
yes |
|
Time domain processing |
no |
no |
yes |
yes |
|
Frequency domain processing |
no |
no |
yes |
yes |
|
Sample Rate Conversion |
yes |
yes |
yes |
yes |
|
Peak Hold |
yes |
yes |
yes |
yes |
|
Average |
yes |
yes |
yes |
yes |
|
DC offset removal |
no |
yes |
yes |
yes |
|
Signalgenerator |
freeware only |
freeware only |
freeware only |
PRO included |
|
Protection |
software lock/dongle |
software lock/dongle |
software lock/dongle |
dongle (already included) |
|
Plug-in ASIO 192kHz 24bits |
#3000 |
|
Plug-in Freq.+Level Sweep |
#3001 |
|
Plug-in Data logger |
#3002 |
|
Plug-in Reverberation time |
#3003 |
|
Plug-in Octave+1/3 Octave RTA |
#3004 |
|
Plug-in 64-bit FFT |
#3005 |
|
Plug-In 1/3 Octave filterbank |
#3006 |
|
Plug-In Waverecorder |
#3007 |
|
Plug-In Script processor |
#3008 |
|
Plug-In IEC60268-16 STI/RASTI |
#3009 |
|
Plug-In Sone/Loudness |
#3010 |
|
Plug-In 3D Visualization |
#3011 |
|
Plug-In time correlation |
#3012 |
|
Plug-In Speedalyzer light |
#3013 |
|
Plug-In Speedalyzer |
#3014 |
|
Plug-In Vectorscope |
#3015 |
|
Plug-In Free filter |
#3016 |
|
Plug-In RIAA filter |
#3017 |
|
Plug-In Quality tests |
#3018 |
|
Plug-in Tonal components (DIN45681) |
#3019 |
|
Plug-in dircectivity /Outline turntable |
#3020 |
|
Plug-in Steinberg VST |
#3021 |
|
4 channels extension |
#3100 |
|
8 channels extension |
#3101 |
|
16 channels extension |
#3102 |
|
24 channels extension |
#3103 |
|
64 channels extension |
#3104 |
In this chapter we summarize typical and frequent measurements. We organized these tutorials as a step-by-step-guidance. In many cases, we did not only describe the optimum procedure. Instead, we added hints for typical errors or compare different strategies.
For all measurements, we strongly recommend to verify your setup by connection the input and output of your soundcard and performing some initial measurements.
In this tutorial we cover the following measurement tasks.
Increasing the frequency range above 20kHz
Frequency response via MLS
Frequency response of a loudspeaker at different distances
Dual channel attenuation of a door
THD+N/THD vs. Frequency
Impulse response
Frequency Response of a CD-Player or tape machine
Fast measurement with Chirp signal
Waterfall
Comparison of different techniques for room reverberation
According to the sampling theorem, the maximum displayed frequency is half the sample rate. With the default sample rate of 44100Hz you can analyze frequencies up to 22050Hz. WinAudioMLS has no internal maximum frequency. The maximum frequency is limited by the maximum sample rate of the soundcard.
Start WinAudioMLS with its default settings. Sample rate is 44100Hz. We connected a sine at 1kHz for demonstrating purposes.

Increase the sample rate to e.g. 96000Hz


The frequency resolution is now reduced to 93Hz. The sine at 1kHz gets wider.
Use Options->Display Properties->Zoom and set x-max to e.g. 42000. You can also double click outside the plot area on the x-axis label an this dialog box opens.


The display shows now the frequency range up to 42000Hz. Please note that same soundcards allow higher sample rates than 48000Hz. But they have analog filters that limit the signal bandwidths to 20kHz.
The MLS technique allows measuring the complete frequency very fast. In the first example we measure the frequency response of a direct line connection.
After starting WinAudioMLS, simply run “freq. Response via MLS” from the wizard menu. The signal generator is started and configured automatically.

You can smooth the curve from the display menu. In this example we use 1/3 octave smoothing.

The next example includes a low-pass filter with a corner cut-off frequency of 2000Hz.

You can shift the pass band portion easily to 0dB, by using the feature “set peak to 0dB” from the right mouse key context menu.


The stop band part of the frequency response looks noisy. This is simply because there is almost no signal in this frequency area. You can reduce this effect by averaging. In this example we average 10 blocks.

In this tutorial we measure a 3inch multimedia loudspeaker in a normal office room. We used MLS-technique to measure the frequency response at different distances and plot all curves in a single plot for comparison.
Setup
Connect the speaker with an amplifier to your soundcard.
Connect the microphone to your soundcard.
From the wizards menu select “freq. response with MLS”. This will set the analyzer to MLS mode and configure the signal generator automatically. Please check the signal level carefully.
This wizard uses a MLS size of 4096 and a FFT size of 1024

First, we shift the curve that we get 0dB at 1kHz. Place the mouse at 1kHz and press the right mouse key for a context menu. Select “set to 0dB”.


You can add smoothing. In this example we select smoothing with 1/3 octave.


For all further measurements we disabled smoothing.
We want to save this curve as an Overlay for comparison. Select “set current curve as overlay”. We also moved the microphone to the next measurement distance.


We save this curve as Overlay #2


We repeat his for the third measurement distance.

Finally, we disable the live measurement curve with Options->channel configuration


In the next step we label the Overlays and configure the line style and color. Double-click on Overlay 1 in the legend area. A configuration box opens.

We changed the name to 4cm. Select line style.

Repeat these steps for all other Overlays.

In a final step we set the y-range from –40dB to 10dB and moved the legend with the mouse for better visibility.

Since we used a FFT size of 1024, the frequency resolution is 43Hz. You can improve the resolution at low frequencies, by using a larger FFT size.
In the next example measurement, we set the FFT size to 4096 and used averaging of 10 blocks.


The frequency plot show now much more details in the low frequency domain. The frequency response drops from 200Hz and shows surprisingly a lot of level at 40Hz. This is very unlikely for such a small speaker. In addition, we encounters strong fluctuations in the low frequency area, that required averaging. Remember, we performed this measurement in a normal office room. This low frequency signals are simply recorded from the ambient noise. You can verify this by simply muting the signal generator.

You encounter the signal to noise ratio is poor. You can improve this by reducing the ambient noise or increase the signal level. Of course, an absorbing measurement chamber would be the optimum.
In this tutorial we demonstrate how to use the dual channel capabilities to measure the attenuation of a door with two microphones. The techniques described in this chapter are very generic and can be used for many other cases where you need to measure the attenuation of a shielding. In this tutorial we focus on MLS in noisy environment and narrowband measurements with single tones.
If you want to measure the attenuation, you apply a generator signal with a loudspeaker on one side of the door. We measure two signal levels with two microphones at both sides of the door. The ratio of both levels gives us the attenuation. Since we are measuring relative levels, the frequency response of the loudspeaker has no influence (as long as the signal to noise ratio is sufficient). The frequency response of the microphones is also removed. We only have to take care that the frequency responses of both microphones match or at least are known for calibration.
Setup
We place a loudspeaker and one microphone at one side of the door. The other microphone is placed on the other side of the door.
First, we need to calibrate the level of both microphones. Place both microphone as close as possible in the generator room.
From the wizards menu select “freq. response with MLS”. This will set the analyzer to MLS mode and configure the signal generator automatically. Please check the signal level carefully.
This wizard uses a MLS size of 4096 and a FFT size of 1024

Activate dual channel processing with
from the toolbar. When you press the button the analyzer switches
from channel #1 only to channel #2 only then both channels and then
again to channel #1 only.

We added two parameter viewer for both channels and set them to RMS mode. You can add such viewer with “add paramview” form the View menu. Double-click on it to configure it.

Carefully adjust the analog gain to get the best match for both curves.

After the calibration phase place the microphone on channel #2 on the other side of the door.

We scale channel #1 to 0dB at 1kHz. With the “set to 0dB” feature from the right mouse context menu.

We encounter that the level at low frequencies is higher outside the generator room than inside.
For demonstrating purposes we used a small speaker. This small speaker does not generate much signal below 100Hz. You can already assume this from the strong decay of channel #1 below 200Hz. In this frequency range, the analyzer simply measures the ambient noise. You can verify this by muting the generating signal. Most part of this measurement are dominated by ambient noise


In this plot we draw both the signal levels, when the generator is on and the ambient noise floor. Since the noise is not stationary it changes from measurement to measurement. The plot is just one snap shot over an average period of 200ms.
In this noisy environment, MLS is not the appropriate technique, unless we use much higher signal levels to increase the signal to noise ratio. Under such conditions, narrow-band measurements with single tones are superior.
During measurement with MLS in this noisy environment, we encountered that the signal to noise ratio (SNR) is too poor. MLS signal are wide-band. They are spreading their signal energy over the whole band. With narrow-band signals like single tones, you can focus the whole signal energy in a single frequency.
If we use a FFT analyzer with a size of 1024 points, we improve the SNR by 30dB.
Setup
The cabling etc. is equivalent to the MLS measurement. You will also need to calibrate the gain, as described in the previous section.
First, we perform a single measurement at 1kHz to verify the levels, distortion etc. Set the signal generator to sine with 1kHz and adjust the level carefully. We used the analyzer basically in default mode, but set the averaging to 10.



At this frequency we measure an attenuation of around 20dB. The signal to noise ratio is inside the generator room 50dB and outside around 35dB. You can also see, that the low frequency noise level at 40 Hz is higher than our measurement signal at 1kHz.
With the sweep measurement plug-in you can repeat this measurement for many frequencies automatically.
Select Plug-ins->Tracking/sweep measurements->Frequency sweep
We selected 30 points in the band from 100Hz to 15000Hz. We increased the settling time to 5s.

When the sweep has finished after around 3min, the RMS levels for both channels are plotted.

This RMS plot used the wide-band RMS calculation. For our measurement we need a narrowband measurement at the tracking frequency, only.
Select “plot results” from the sweep measurements menu.


Finally, we need a curve that shows the ratio of both levels. You can create an Overlay that is calculated by dividing both channels.


The attenuation calculated this way is positive and therefore at the top border of the plot range.
We simply rescale the y-axis with the y-autoscale feature from the toolbar.

In the final step, we disable the live input channels and rescale the remaining attenuation plot.

With sweep measurements, you can easily reach good signal to noise ratios, even in noisy environments.
If you look carefully at the curves and compare the attenuation for both the manual measurement and the automatic measurement at 1kHz, you will find a significant deviation of 25dB! We simply moved the microphones a little and moved a chair. With this setup we measure two room transfer functions: one inside the generator room and one outside. Little movements of the microphones have significant influence of these transfer functions. These deviations are much higher than the differences between a low-cost and a high-end microphone.
In the optimum case you have to perform such measurements in an acoustic absorber room.
If you don’t have such special rooms, you can improve the results by averaging over several positions inside the room.
This measurement uses single sine tones in a classical stepped sine technique. WinAudioMLS increases the input frequency automatically, performs a measurement and records all measurement data for later analysis.
First, start the signal generator set the signal generator to a frequency that is somewhere between your upper and lower frequency. In this example, we want to measure between 100 and 12000Hz. We select 1000Hz. This initial step is not required, but it helps to identify errors in an early stage

Please check the signal levels carefully.

In case you want to measure THD, please activate this analysis mode from the toolbar. You can display only the even or odd harmonics and limit the total number of harmonics.


In a second step, run the frequency
sweep from
Plug-Ins->Tracking/Sweep measurements->Frequency sweep

After finishing the sweep, WinAudioMLS will plot RMS vs. frequency.

You can display the other results THD+N and THD.


You can use the Y-auto scale function to zoom the plot automatically.

If we select the THD results, we get the following plot.

We see that the readings at low frequencies are very high. Since we used a FFT size of 1024, the frequency resolution of around 40Hz is too low. We set the FFT size to 4096 points and repeat the sweep again.


You can also plot THD+N and THD sweep results in %.


At 12kHz the THD reading is very low. This is simply because the first harmonic is at 24kHz and therefore already out of our analog bandwidth. To measure higher harmonics you have to use a higher sample rate with an appropriate soundcard.
The impulse response is one of the key parameters and is measured via MLS. I is widely used for system analysis and a basis for many room acoustic parameters e.g. reverberation, waterfall plot etc.
In a first step we simply measure the impulse response with line input and output connected.
Simply select “room impulse” from the wizard menu. By default it uses a MLS size of 65535 and a FFT size of 65536. This captures impulse responses up to 1.5s.

The signal generator is set automatically.

First we use the y-auto scale function

We limit the time range from 3 to 7ms to get a closer look.

This impulse response contains pre- and post oscillations. The peak is at 5ms. By default WinAudioMLS shifts the peak to 5ms. You can change this value from the FFT settings. In the following example we set the MLS delay parameter to –10ms, which shifts the peak position to 10ms. For more complex impulse responses, please ensure that the appropriate portion of the response is captured.

In the following example we show measure the impulse response of a Butterworth low-pass filter with order 8.

This filter has the following frequency response.

When we want to measure the frequency response of a CD-Player, we cannot connect the signal generator, directly. First, you have to burn test files to a CD. Then you can analyze the output of the CD-player during playback. The same problems occurs with tape machines.
There are several techniques to measure such frequency response
Sine sweeps
Chirp
Multi tones
White noise
MLS
MLS is not suitable for this problem, because we get a frequency shift since the input and output frequency differ slightly. This minimal frequency shift has high impact to the MLS measurement.
Multi-tone technique is fast but measures at discrete frequencies, only.
Noise measurement is very robust, but would require extremely long averaging
We recommend to use slow sine sweeps or better Chirps, since they offer a very high precision of the measurement.
If the clock of the soundcard and the CD-player would be locked, then MLS would be suitable. The following plot was reached with ideal synchronization.

Unfortunately, both clocks differ slightly. This frequency offset has significant impact of the MLS measurement at higher frequencies. In the following case we have a frequency offset of 0.88Hz which is equivalent to 20ppm (parts per million) and matches the clock offset of typical consumer crystal oscillators.

Even this low frequency offset, which is not audible, has significant impact on the MLS measurement at higher frequencies. Therefore we do not recommend to use MLS for cases with a frequency offset.
Noise measurements are very robust, but require extremely long averaging. Even with an average time of 380s and an FFT size of 8192, the remaining fluctuations are above 0.2dB

In a first step we have to create a .wav file with the following settings. Please ensure that the sample rate is 44100Hz.

When you use file->write .wav file from the menu, you are first prompted for a file name. Then you can select the file length. We recommend to use at least 5 minutes. Since uncompressed audio files a quite big (50Mbytes for 5min) the calculation might take a while (On a 3Ghz PC it is 2s, only)

Burn this .wav file to an audio CD with your favorite CD burning program. Connect the output of the CD player to the line input of your soundcard and start WinAudioMLS. The signal generator is not used anymore.
We used the default settings, but set the display range from 5Hz to 23000Hz. Depending on the play position of your CD play you will see a plot like this.

Press the “MAX” button from the toolbar and let the analyzer run for at least on sweep time of 100s.

Disable the real-time plot, by pressing the “MAX” button again. Additionally, we zoom into the curve to get a closer look.

There are two issues that fall into your attention:
In the low frequency area (5 to 200Hz) the plot consists of lines giving a poor quality.
At higher frequencies the plot shows strong fluctuations.
With the default settings (44100 sample rate and FFT size of 1024) the frequency resolution of 43Hz is too low to get reasonable results at 5Hz. Therefore we increase the FFT size to 8182, which gives us a frequency resolution of 5.3Hz.

We repeat the measurement again. Please ensure to reset the max buffer by pressing the “0” button in the toolbar.

We get a much better plot at lower frequencies but the higher frequencies show now a strong decay. Since we are using a larger FFT size , the time duration of one FFT block increases to 186ms. The frequency increases constantly during this sweep causing the decay at higher frequencies. Therefore we have to slow down the sweep, when we use a frequency resolution of 5Hz. In the next step we increase the sweep duration to 1000s (16min) and repeat the step.
After a long measurement time you get a curve like this.

The decay at higher frequencies is now removed. We zoom into it.

Up to 1000Hz we see a smooth curve, but then we encounter fluctuations at higher frequencies. These are caused by effects of the windowing function. By default it is set to “Blackman”. For frequency measurements with single tones, we recommend to use “Flat-top”. We repeat the measurement with the Flat-top window. All other settings remain the same.


At high frequencies, the change of the momentary frequency is still too high causing artifacts. We would have too increase the sweep time much higher to get results with high precision. For low frequencies we need a large FFT size to have sufficient frequency resolution. For high frequencies we need a smaller FFT size to track the sweeping frequencies. The best results can be obtained by splitting the measurement into two separate sweeps.
Sweep from 5 to 450Hz using 32768 FFT size and 1000s sweep time
Sweep from 350 to 22000Hz using 1024 FFT size and 1000s sweep time


This measurement with standard slow sweeps is very time consuming. One single measurement with good precision takes around 15minutes or even longer as we discussed above.
You can get much faster results (within 185ms this is more than 5000 times faster) with the special chirp measurement features of the LAB version of WinAudioMLS.
Enable the Chirp signals in the signal generator.

Set WinAudioMLS to FFT size of 8192 and disable any window function (rectangle).

We can improve the frequency resolution to 1.3Hz by using a 32768 Chirp sequence. But the differences are minor.

In the following measurement we applied a frequency offset of 20ppm.

If you compare this plot with the MLS results with a frequency offset, you encounter much lower effects.
This Chirp measurement is superior to MLS since it is not sensitive to frequency offsets. In contrast to slow sweep techniques we get more reliable results much faster.
The cumulative decay plot is a special analysis of the impulse response.
In a first step you have to measure a impulse response as described in previous sections.
As a simple example we use a direct line connection.

In a second step you have to store this impulse response for later use. This is done via
Plug-Ins->Impulse response->Use current measurement

In this example we set the time range from 0 to 60ms.
When you activate the waterfall plot you get the following curve. The legend has been disabled with the “H” key.

If we take a closer look at 5ms (Range from 0 to 6ms) you see that the curve decays almost immediately, since the impulse response is almost ideal

In this tutorial we compare different techniques for measurement of the reverberation time.
Impulse via pistol (cal. 6mm)
White noise
MLS
WinAudioMLS PRO
Reverberation plug-in
Sound level calibrator
Measurement microphone (Beyerdynamik MM1)
Pistol cal. 6mm
Absorber
Small speaker (4” woofer 10W RMS)
Room: small laboratory 10m2 (RT60~170ms)
In this comparison we use a small speaker by intention. This demonstrates the effects of such setup more clearly.
In this setup we measure the reverberation time directly, by using an impulse signal. With a pistol we can easily generate high sound levels.
In a first step we connect the microphone to the calibrator with a reference level of 94dB. We set the gain to minimum to reach sufficient headroom. In this case we reach a headroom of 34dB. Please note that typical measurement microphones are limited by 125dB.

After calibration (Wizards->quick calibration) we get the following shifted curve

We monitor the signal level vs. time with the level monitor feature of WinAudioMLS. The FFT size is set to 256 points to reach a high time resolution. We set the level monitor to 10ms and apply no filtering.

The noise level in the measurement room reaches around 58dB. The room includes several running PCs and it was not optimized for low noise. The measurement microphone is simply placed in the middle of the room.

We take a closer look by zooming



The expected linear slope is visible in the first part, only. We could select different parts of the slope to derive the reverberation time, but they are all different. For a correct measurement we require the diffuse reverberation which results in a linear decay.
In the next measurement we placed foam absorber in front of the microphone to remove direct sound.


With this measurement we reach significant better diffuse reverberation. Since we have a high headroom to the noise floor we can almost measure the RT60 directly. If we take the first linear part we measure a reverberation time of around 155ms.
In this measurement we use which noise which is sequentially muted.
Caution: broadband white noise can easily damage your loudspeakers.
This measurement requires the following steps:
Calibration
Measurement of noise floor
Measurement with white noise on
Measurement with bursts
After calibration we first measure the noise level. In this example room several PC and laptops were running generating a floor of 52dB especially at low frequencies.

In the next step we activate the white noise generator in continues mode.

With such small speaker we can generate significant noise above 200Hz, only. It also degrades at high frequencies. The speaker does not directly head to the microphone.
In the final step we switch on the burst generator. In this case we use an on/off cycle of 1s. For larger rooms this time must be increased.

We use the level monitor with a time resolution of 20ms. The FFT size is set to 256 points.


We take a closer look at the decay slope.

We can clearly see the linear slope with a headroom of 25dB. From this curve we can estimate the RT60 to 150ms.
For this type of measurement we require a sufficient headroom. We are limited by the normal noise in the room and the maximum sound level of the speaker. The idle noise should be reduced by closing windows, doors etc. and switching of any unused equipment e.g. air conditions etc.
Typical portable loudspeaker have a sensitivity of 90dB at 1W and 1m and can handle 100W RMS load. But unfortunately this specification is for a sine signals at 1kHz and not white noise. Therefore we can handle e.g. 10W RMS to not damage the tweeter. In total we can expect a maximum signal level of 100dB for portable systems. We can increase the signal level by reducing the bandwidth to 10kHz which gives us a gain of 3dB. This can be done with the digital filtering inside the signal generator.
WinAudioMLS can derive all room related parameters via MLS measurement.
We use a MLS size of 16383 and a FFT size of 16384.
The first plot shows the room impulse response.

WinAudioMLS can directly calculate the energy decay curve.

With the measurement rectangle we can select the portion of the slope which is based for reverberation time.
In addition you can plot the reverberation time separated in frequency bands with 1/1 and 1/3 octave resolution simultaneously.

Since the loudspeaker does not generate sufficient level below 200Hz, we excluded this range from the plot
Use ear protection
White noise and MLS can easily damage your speakers
Reduce the ambient noise
Use the highest signal level possible
Avoid clipping (microphone, pre-amp and soundcard)
Check the frequency response of the speaker
Avoid direct sound to the microphone
Use omni-directional speakers
Perform a direct link measurement
In case you encounter unexpected results, we strongly recommend to verify the whole measurement chain. This can be done by connecting the line input and output of the soundcard. With a single sine you can check the signal level and distortion.
Avoid clipping
Any clipping either on the output or input signal chain has significant impact on the measurement. In most cases too high signal levels make the measurement unusable.
Use analog attenuators
If you reduce the signal level digitally, you reduce the dynamic of the signal chain. For example if you soundcard reaches a THD+N of –96dB at full scale and you reduce the signal level by 20dB, all your measurements are limited by a reduced dynamic, which may be limited by up to 20dB.
Room influence
If you perform measurements in a normal room, this room transfer function has significant impact to your measurement. Any movement of the microphone by a few centimeters can cause changes of more than 20dB. Many room acoustic analysis procedures require averaging over several positions.
Soundcard mixer settings
Many soundcards offer a complex configuration tool, that sets the signal routing, sample rate or levels. This program is individual to each soundcard. In case you get no input or output signal, please refer to the user manual of your soundcard.
Clicks and drop-outs in ASIO mode
If you encounter clicks and dropouts, you should check the ASIO buffer size. The soundcard maintains several buffers to allow streaming. A small buffer size is ideal for low latency, but it has a higher system load. A larger buffer size lower the system load but has a larger latency. You can configure this buffer size with the configuration tool that came with you soundcard. A buffer size of 512 should work in most case. Avoid small buffer size like 64, unless you really need this setting.
Below you will find screenshots of a M-Audio 1814 and a RME card, but you will find similar settings for your device.


Cannot find hardware key.
You have a version of WinAudioMLS that is bundled with a hardware protection key (dongle). Check that the dongle is connected to your PC and the drivers are installed correctly.
Not licensed on this host
You are using a version of WinAudioMLS with a software lock. WinAudioMLS can not identify the PC that was entered during registration. Please contact us for further assistance.
Cannot open sound device
WinAudioMLS is unable to initialize your soundcard. This can be caused by an other program that accesses the soundcard. This error message also indicates an invalid sample rate, that is not supported by your device.
How does the software lock work?
You receive from us a special program that calculates a unique number from your PC. This is the HostID.
One example is: x0012c848462419711b7b37b42873e5b91b79fe39e24
Send this number to us via Email, FAX etc. Please send us this number via Email to avoid typing errors. We will integrate this number into the retail version of WinAudioMLS. After that, we send the personalized version of the software to you. This software will run only on the machine with this particular HostID.
When I start WinAudioMLS I get an error message. “…failed to load D3D8.dll…”?
WinAudioMLS requires DirectX with version later than 8.1. Please install version 8.1 or later. The missing .dll is part of the DirectX distribution. You can download the DirectX setup from Microsoft.
My measurement PC is not connected to the Internet. Can I use the software lock?
WinAudioMLS does not use an Internet connection. Just calculate the HostID and send it to us.
I want to use WinAudioMLS on my Desktop and on my Notebook.
There are two solutions. Either you buy two licenses of WinAudioMLS or use the hardware protection key (dongle). The dongle allows you to run our software on any PC, which is connected to the dongle.
I'm using Windows NT 4.0 or 95. Can I use the USB dongle?
Windows NT 4.0 and 95 do not support USB. You need the parallel port version of the dongle.
I’m new to MLS-measurements. What settings are recommended?
First, the signal generator and analyzer must use the same MLS-size and sample rate. Second, the MLS-size should be longer than the expected impulse response. With the FFT-size, you define a block within the impulse response. For a first start we recommend a MLS-size of 16383 and a FFT size of 16384.
Recommended soundcards
Many people ask what is the optimum soundcard for WinAudioMLS. Today even onboard sound devices have performance, which allows serious measurements. Old 8-bit devices are not supported.
Typical selection criteria for a soundcard are:
Connection type
Interface internal via PCI or external via USB/Firewire
Does the external soundcard require an external power supply?
Interfaces
Digital interfaces (SPDIF,AES/EBU,ADAT)
Differential inputs and outputs
Selectable gain
Clip/Signal indicator
Microphone-preamplifier with phantom power
Number of analog channel for input and output
Signal quality
Signal to noise ratio
Distortion
Frequency response
Configuration
Supported sample rates
Supports full duplex or enhanced full duplex
ASIO driver included
Driver quality
Typically low-cost soundcards have a very poor microphone preamplifier. We strongly recommend a good external preamplifier for measurements with microphones. On our website we published some example measurements with typical soundcards.
AES Audio Engineering Society
dB Decibel
dB(A) Decibel weighted with DIN A curve
DUT Device Under Test
EDC Energy Decay Curve
EDT Early Decay Time
ETC Energy Time Curve
FFT Fast Fourier Transform
IMD Intermodulation
IR Impulse Response
MLS Maximum Length Sequence
MTF Modulation Transfer Function
RMS Root Mean Square
RT60 Decay Time to –60dB (Reverberation)
SPDIF Sony/Philips Digital Interface, digital audio interface
THD Total Harmonic Distortion
THD+N Total Harmonic Distortion plus noise
WinAudioMLS www.dr-jordan-design.de
page